EasyManua.ls Logo

Vamparossa E Series - Dimensions E-2 Horizontal Burner

Default Icon
56 pages
Print Icon
To Next Page IconTo Next Page
To Next Page IconTo Next Page
To Previous Page IconTo Previous Page
To Previous Page IconTo Previous Page
Loading...
38
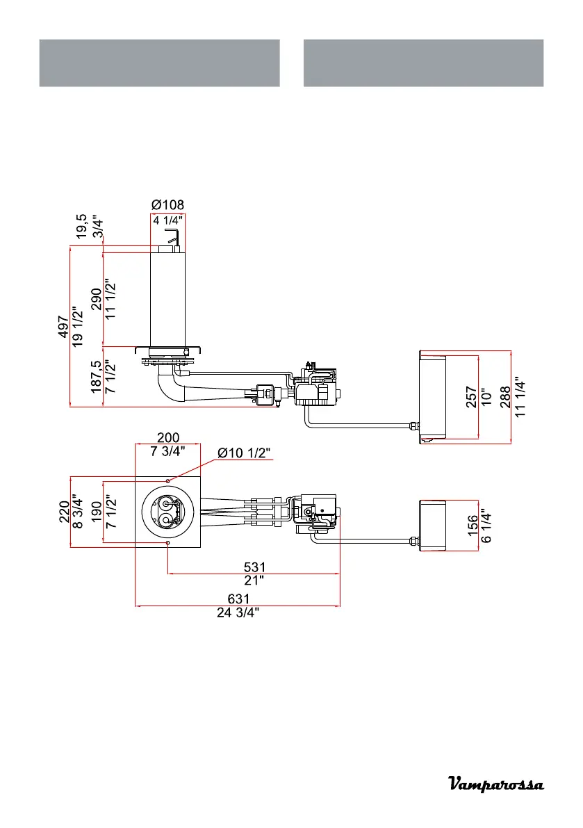
1 - DIMENSIONI E-2
ORIZZONTALE
1 - DIMENSIONS E-2
HORIZONTAL
PESO 9.1 KG - WEIGHT 20.06 LBS