EasyManua.ls Logo

Vanguard B) - INSTALLATION FOR HORIZONTAL TERMINATION; WARNING: Do not recess vent terminal into a wall or siding.

Vanguard B)
42 pages
Print Icon
To Next Page IconTo Next Page
To Next Page IconTo Next Page
To Previous Page IconTo Previous Page
To Previous Page IconTo Previous Page
Loading...
8
105539
DIRECT-VENT FIREPLACE (NATURAL/PROPANE/LP)
®
INSTALLATION FOR
HORIZONTAL TERMINATION
1. Determine the route your horizontal
venting will take.
Note:
The location
of the horizontal vent termination on the
exterior wall must meet all local and
national building codes and must not be
easily blocked or obstructed.
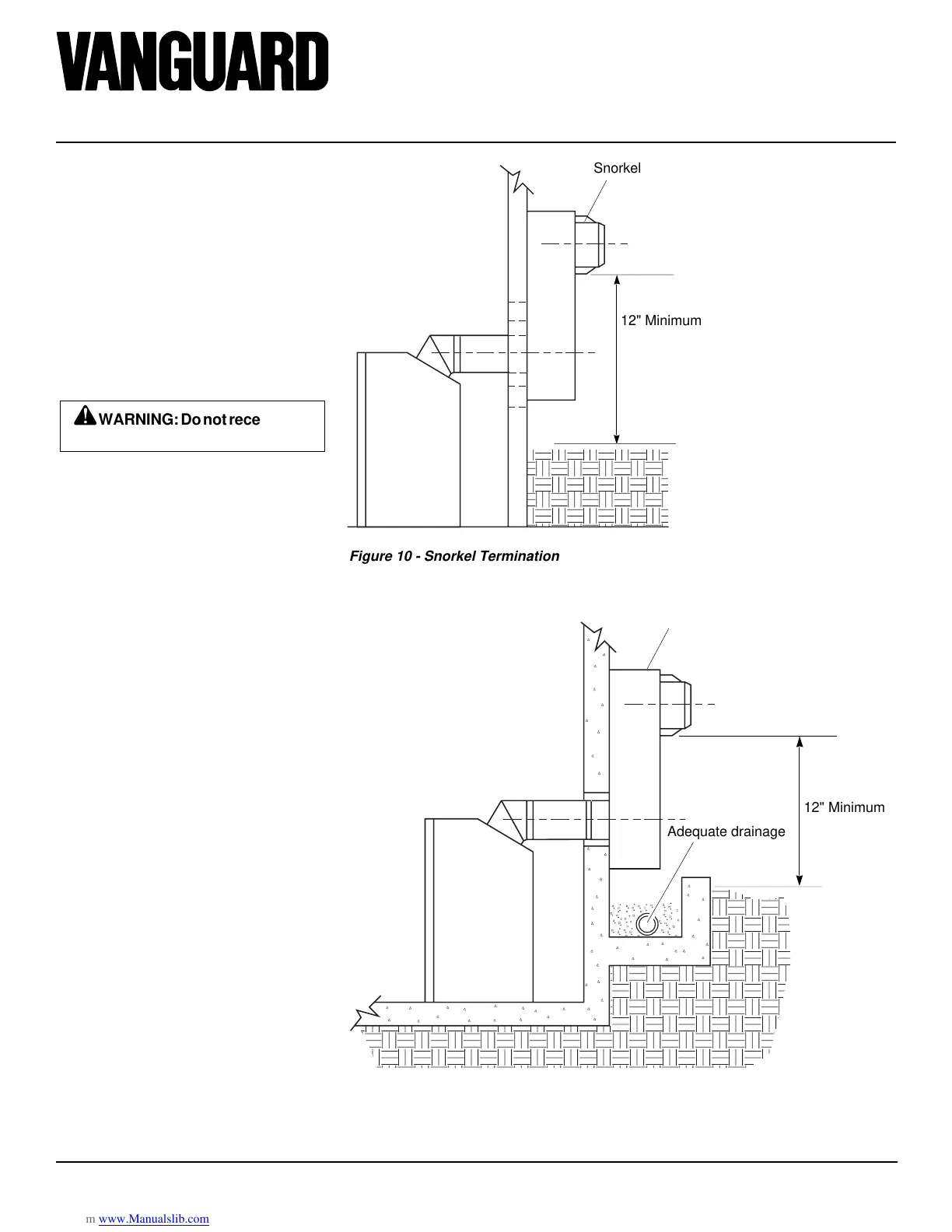
Snorkel terminations are available for
terminations requiring a vertical rise on
the exterior of the building (see Figures
10 and 11). Snorkel kit SVK is also
available (see page 15). Follow the same
installation procedures as used for stan-
dard horizontal terminations. If install-
ing the snorkel termination below grade
(basement applications), you must pro-
vide proper drainage to prevent water
from entering the snorkel termination
(see Figure 11). Do not back fill around
the snorkel termination.
2. Rigid vent pipes and fittings have spe-
cial twist-lock connections. Assemble
the desired combination of pipe and el-
bows to the appliance adaptor with pipe
seams oriented towards the wall or floor.
Twist-lock Procedure: The female
ends of the pipes and fittings have four
locking lugs (indentations). These lugs
will slide straight into matching slots on
the male ends of adjacent pipes and fit-
tings. (All connections must be sealed
with high temperature silicone sealant
as specified in the second warning on
page 7.) Push the pipe sections together
and twist one section clockwise approxi-
mately one-quarter turn until the sections
are fully locked. See Figure 12, page 9.
Note:
Horizontal runs of vent must be
supported every three feet. Use wall
straps for this purpose.
Flexible vent pipe must be installed with
spacer springs every 12". See Figure 12,
page 9. All connections must be clamped
tightly and sealed with high temperature
silicone sealant as specified in the sec-
ond warning on page 7.
VENTING
INSTALLATION
Continued
Figure 11 - Snorkel Termination with Drainage Pipe
,,,,,,,,,,,,,,
,,,,,,,,,,,,,,
,,,,,,,,,,,,,,
,,,,,,,,,,,,,,
,,,,,,,,,,,,,,
,,,,,,,,,,,,,,
,,,,,,,,,,,,,,
Adequate drainage
12" Minimum
Figure 10 - Snorkel Termination
,,,,,
,,,,,
,,,,,
,,,,,
Snorkel
12" Minimum
WARNING: Do not recess vent
terminal into a wall or siding.
Snorkel

Related product manuals