EasyManua.ls Logo

VBM JUNIOR HX - Page 64

VBM JUNIOR HX
Print Icon
To Next Page IconTo Next Page
To Next Page IconTo Next Page
To Previous Page IconTo Previous Page
To Previous Page IconTo Previous Page
Loading...
30
ENG
11,
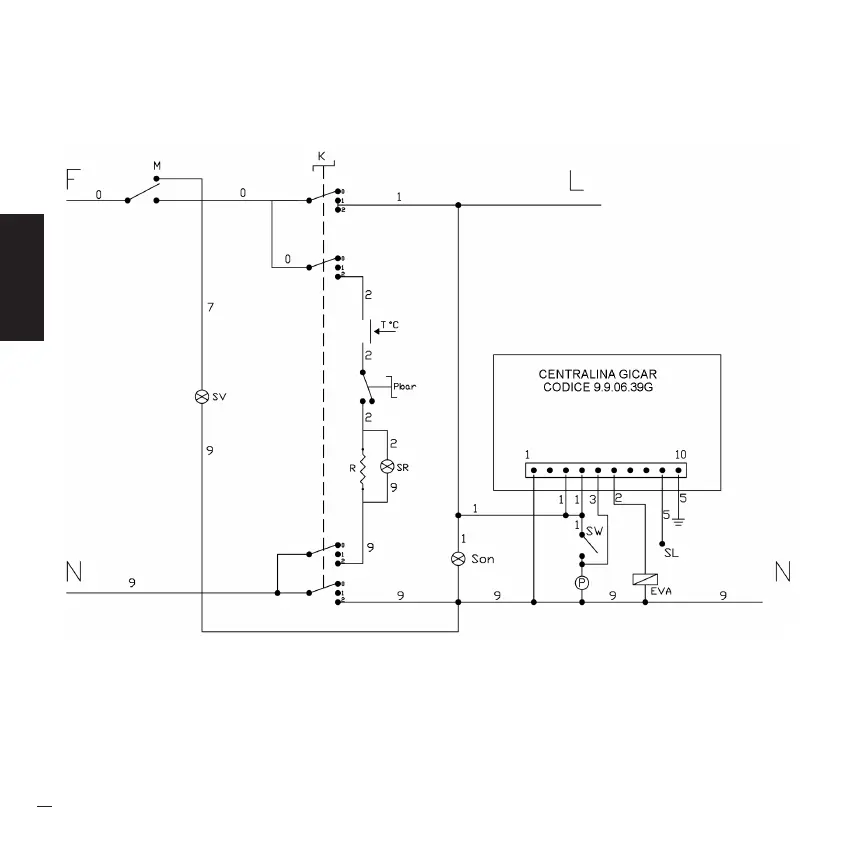
ELECTRICAL SCHEME.
NEWManuale_DomobarJuniorHX_01-2016_5lingue.indd 30 10/03/16 16:09

Related product manuals