EasyManua.ls Logo

VBM JUNIOR HX - Page 96

VBM JUNIOR HX
Print Icon
To Next Page IconTo Next Page
To Next Page IconTo Next Page
To Previous Page IconTo Previous Page
To Previous Page IconTo Previous Page
Loading...
30
FRA
11,
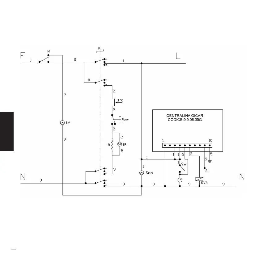
CÂBLAGE.
NEWManuale_DomobarJuniorHX_01-2016_5lingue.indd 30 10/03/16 16:09

Related product manuals