EasyManua.ls Logo

VEAB Heat Tech VFLPG - Page 41

VEAB Heat Tech VFLPG
48 pages
Print Icon
To Next Page IconTo Next Page
To Next Page IconTo Next Page
To Previous Page IconTo Previous Page
To Previous Page IconTo Previous Page
Loading...
41
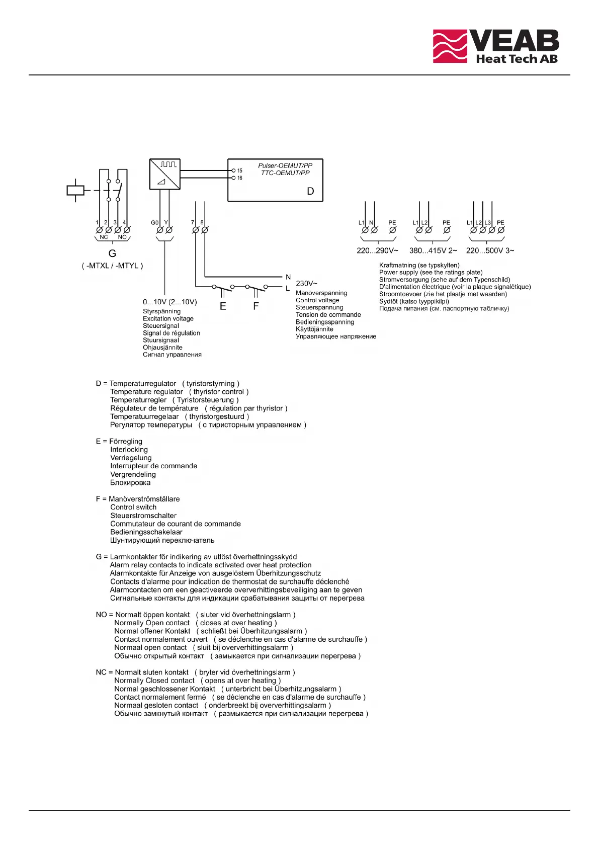
VFLPG/VFL/VTL/VRA
MTX / MTXL (MTY / MTYL)