EasyManua.ls Logo

Vector 4 - Page 32

Vector 4
227 pages
Print Icon
To Next Page IconTo Next Page
To Next Page IconTo Next Page
To Previous Page IconTo Previous Page
To Previous Page IconTo Previous Page
Loading...
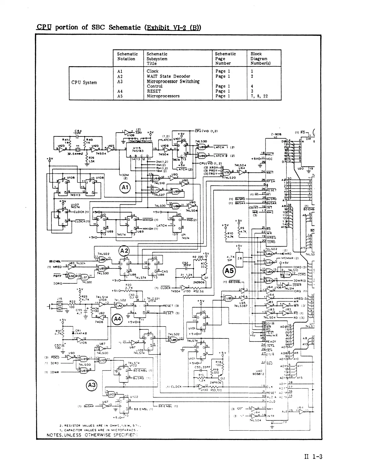
CPU
portion
of
SBC
Schematie
(Exhibit
VI-2
(B))
Schematic
Schematic
Schematic
Block
Notation
Subsystem
Page
Diagram
Title
Number
Number(s)
Al
Clock
Page
1 1
|
A2
WAIT
State
Decoder
Page
1
2
CPU
System
Al
Microprocessor
Switching
Control
Page
1
4
A4
RESET
Page
1
3
A5
Microprocessors
Page
1
7,
8,
22
)
745113
741502
88
ENEL
(1)
MREO
POFF
I
+
5V
741514
U108
741502
use2
ug7
ue7
U10%
741574
74L.50C
{3)
POCD
1)
ICRD
741
SO0
&3
{1)
BUSAK
{1
JOWR
e
β€”β€”β€”
+2
'3
2.
RESISTOR
VALUES
ARE
iN
OMMS
1/a
W,
57,
1.
CAPACITOR
VALUES
ARE
IN
MICROFARACS
.,
NCTES,UNLESS
OTHERWISE
SPECIFIED:
L
MHIGH
(1)
69
80
ENBL
(Y
88
ENAL
(1)
+5v
M
ATCH
SET
(3)
{3)
U101
+5
741502
74LS574
)
88
ENBL
CPU/VID
(1,2)
74L.500
2N3906
U130
RS2
56
(2)
/VID
(1,
2)
(3
(3)
PROY
(3)
TROY
74LS04
74LS
20
(1)
BUSRO
(1)
BUSAK
Q1
(1)
88
ENBL
ues
745367
2NQ06
U130
R’53,00
U8
1ORQ
741502
(2)
74L
S04
MEMWR
(2)
+
5V
TORO
(3!
S10
IOWR(3)
JOWR
{1)
Il
1-3