EasyManua.ls Logo

Velleman-Kit K8055 - Page 21

Velleman-Kit K8055
24 pages
Print Icon
To Next Page IconTo Next Page
To Next Page IconTo Next Page
To Previous Page IconTo Previous Page
To Previous Page IconTo Previous Page
Loading...
21
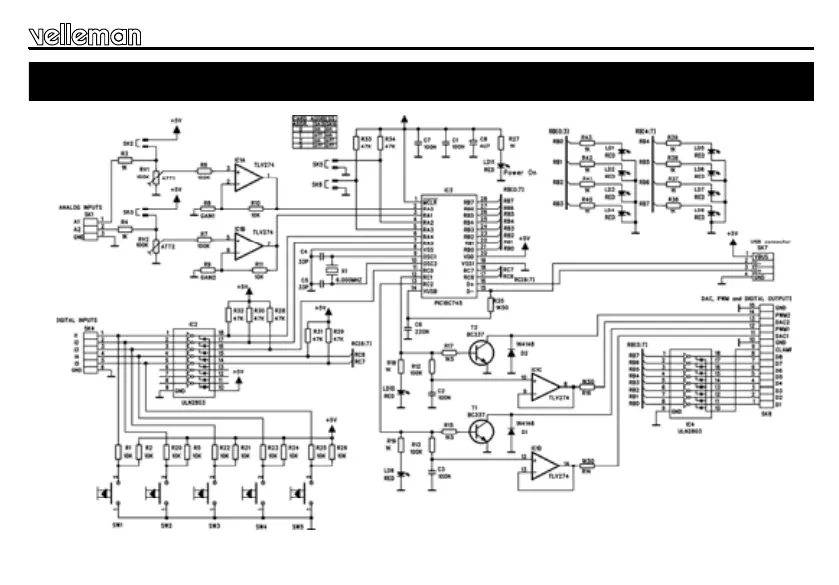
24. Schematic diagram.
Schematic diagram

Related product manuals