EasyManua.ls Logo

Velleman K2639 - Schematic Diagram; Complete Circuit Diagram

Velleman K2639
16 pages
Print Icon
To Next Page IconTo Next Page
To Next Page IconTo Next Page
To Previous Page IconTo Previous Page
To Previous Page IconTo Previous Page
Loading...
14
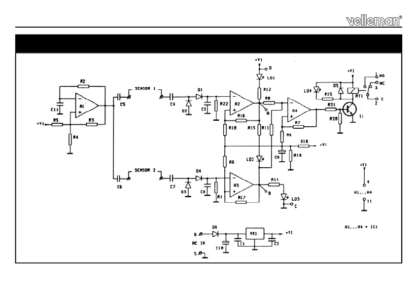
17. Schematic diagram.
Schematic diagram

Related product manuals