EasyManua.ls Logo

Velleman K7101 - Page 9

Velleman K7101
12 pages
Print Icon
To Next Page IconTo Next Page
To Next Page IconTo Next Page
To Previous Page IconTo Previous Page
To Previous Page IconTo Previous Page
Loading...
9
Diagram
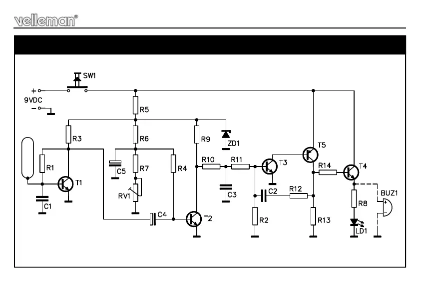
10. DIAGRAM

Related product manuals