EasyManua.ls Logo

Venstar ACC0410 - 4 Existing Wires for Single Stage Heat Pump

Venstar ACC0410
4 pages
Print Icon
To Previous Page IconTo Previous Page
To Previous Page IconTo Previous Page
Loading...
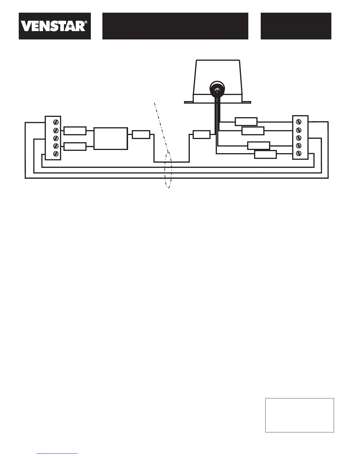
4 existing wires with Add-A-Wire™ to accommodate a
single stage heat pump.
C
c
F
FOR HOME OR OFFICE USE
Tested to Comply
with FCC Standards
Add-A-Wire ACC0410
ADD-A-WIRE™
ACCESSORY
ACC0410
MODEL
HVAC
GREEN
BROWN
YELLOW
RED
Add-A-Wire™
accessory
THERMOSTAT
GREEN
YELLOW
BLUEBLUE
Add-A-Wire™
Diode ‘Y’
R
G
O
Y
C
R
G
Y
C
THE FOUR EXISTING
THERMOSTAT WIRES
O
©Venstar Inc. 02/12
P/N 88-618 Rev. 2

Related product manuals