EasyManua.ls Logo

Ventrac HM720 - Parts - Figure 5; Carrier Frame Parts (Illustrated Drawing & List)

Ventrac HM720
40 pages
Print Icon
To Next Page IconTo Next Page
To Next Page IconTo Next Page
To Previous Page IconTo Previous Page
To Previous Page IconTo Previous Page
Loading...
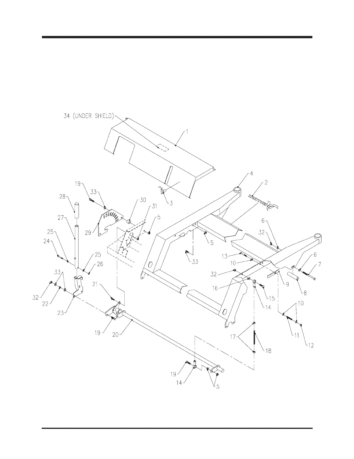
PARTS
E-9
FIGURE 5
ILLUSTRATED DRAWING
CARRIER FRAME PARTS
(HM600 SER# AA1001-AA1262) (HM720 SER# AA1001-AA1134) (HP720 SER# AA1001-AA1025)

Related product manuals