EasyManua.ls Logo

Ventrac HP720 - Page 32

Ventrac HP720
40 pages
Print Icon
To Next Page IconTo Next Page
To Next Page IconTo Next Page
To Previous Page IconTo Previous Page
To Previous Page IconTo Previous Page
Loading...
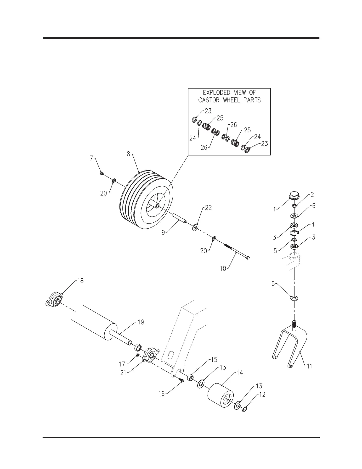
PARTS
E-13
FIGURE 7
ILLUSTRATED DRAWING
CASTER & REAR ROLLER PARTS