EasyManua.ls Logo

Versa-Matic E3 - Page 8

Versa-Matic E3
19 pages
Print Icon
To Next Page IconTo Next Page
To Next Page IconTo Next Page
To Previous Page IconTo Previous Page
To Previous Page IconTo Previous Page
Loading...
e3mdlHsmATEXMB-rev0317
5 • Model E3 Bolted Metallic
ww w.ve rsam atic .com
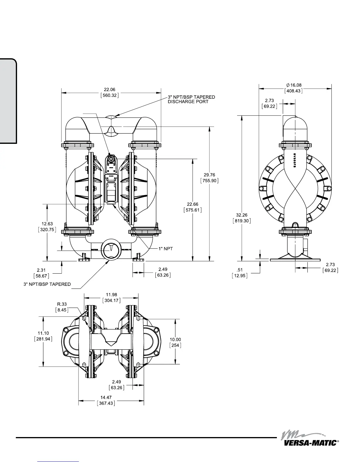
E3 Bolted Metallic
Dimensionally Interchangeable with Versa-Matic Clamped Pumps
Dimensions in inches (metric dimensions in brackets). Dimensional Tolerance .125" (3mm).
Dimensional Drawings
DIMENSIONS ARE INCHES
SURFACE FINSH
.XX
.XXX
UNLESS OTHERWISE
SPECIFIED
TOLERANCES
MATERIAL
AIR EXHAUST
SUCTION PORT
DATE
APP
DATE
ECN
SHEET
C
A
D
D
C
A
SHEET
DESCRIPTION
PUMP REFERENCE
MADE FROM
THIS IS A PROPRIETARY DOCUMENT. DO NOT REPRODUCE OR DISCLOSE WITHOUT THE
EXPRESS WRITTEN PERMISSION OF WARREN RUPP, INC
WARREN RUPP, INC
1/2" NPT
3/4" NPT Stainless Steel Centers ONLY
AIR INLET
DIMENSIONS ARE INCHES
SURFACE FINSH
.XX
.XXX
UNLESS OTHERWISE
SPECIFIED
TOLERANCES
MATERIAL
AIR EXHAUST
SUCTION PORT
DATE
APP
DATE
ECN
SHEET
C
A
D
D
C
A
SHEET
DESCRIPTION
PUMP REFERENCE
MADE FROM
THIS IS A PROPRIETARY DOCUMENT. DO NOT REPRODUCE OR DISCLOSE WITHOUT THE
EXPRESS WRITTEN PERMISSION OF WARREN RUPP, INC
WARREN RUPP, INC
1/2" NPT
3/4" NPT Stainless Steel Centers ONLY
AIR INLET
1: PUMP SPECS

Related product manuals