EasyManua.ls Logo

VEVOR SC-82 - CIRCUIT DIAGRAM

VEVOR SC-82
10 pages
Print Icon
To Next Page IconTo Next Page
To Next Page IconTo Next Page
To Previous Page IconTo Previous Page
To Previous Page IconTo Previous Page
Loading...
CIRCUIT DIAGRAM
MODEL NO.: SC-102V
S1-Thermostat S2-Temperature Limiter
HL1-Power Light HL2-Heating Light
KM-AC Cont Actors EH-Heating Pipe
04
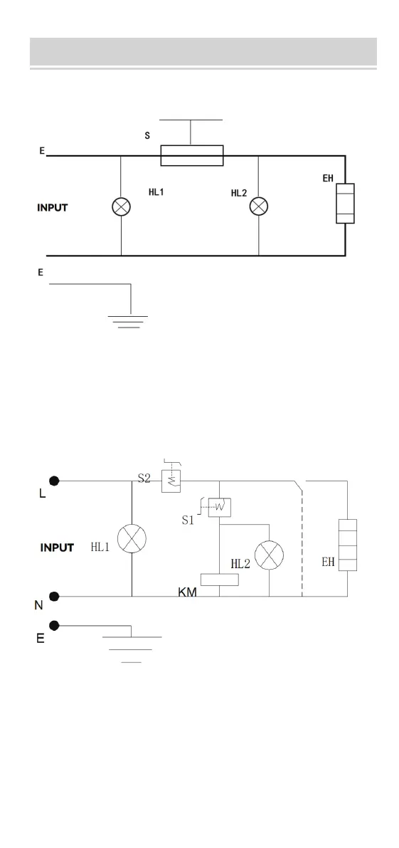
MODEL NO.: SC-82
S-Temperature Controller
E-Ground Protection EH-Heating Tube
HL1-Power Indicator(GREEN HL2-Heating IndicatorRED

Related product manuals