EasyManua.ls Logo

Viconics VT7300A5000 - Main Output Wiring Configurations; Output Wiring by System and Control Type

Viconics VT7300A5000
17 pages
Print Icon
To Next Page IconTo Next Page
To Next Page IconTo Next Page
To Previous Page IconTo Previous Page
To Previous Page IconTo Previous Page
Loading...
5
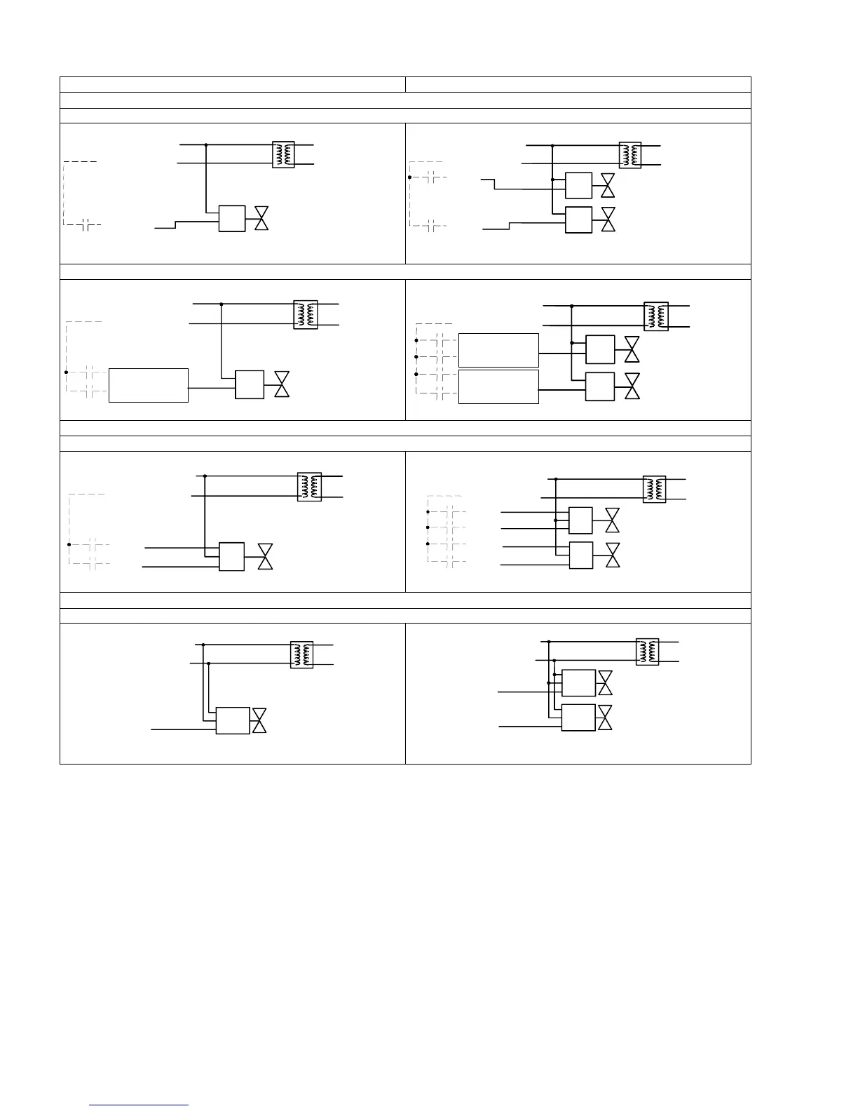
Main outputs wiring
2 Pipe applications 4 Pipe applications
On-Off control
VT7300A5x00(x) & VT7305AC5x00(x)
VT7300C5x00(x), VT7305C5x00(x), VT7350C5x00(x) & VT7355C5x00(x)
Floating control
VT7300C5x00(x), VT7305C5x00(x), VT7350C5x00(x) & VT7355C5x00(x)
Analog control
VT7300F5x00(x), VT7305F5x00(x), VT7350F5x00(x) & VT7355F5x00(x)
N.C. Heating / Cooling valve
24 Vac
Com
24 Vac
Com
24 V~ Hot
24 V~ Com
BO2
24 Vac
Com
N.O. Heating valve
N.C. Cooling valve
24 Vac
Com
24 Vac
Com
24 Vac
Com
24 V~ Hot
24 V~ Com
BO3
BO2
Heating / Cooling valve
24 Vac
Com
OR
24 V~ Hot
24 V~ Com
BO1
if N.O.
BO2
if N.C.
24 V~ Hot
24 V~ Com
BO3
if N.O.
BO4
if N.C.
BO1
if N.O.
BO2
if N.C.
24 Vac
Com
Heating valve
Cooling valve
24 Vac
Com
OR
OR
24 Vac
Com
Heating valve
Cooling valve
24 Vac
Com
OR
OR
Open
Com
Close
Heating / Cooling valve
24 V~ Hot
24 V~ Com
BO1
BO2
Open
Com
Close
Heating valve
Open
Com
Close
Cooling valve
24 V~ Hot
24 V~ Com
BO3
BO4
BO1
BO2
2
4 V~ Hot
2
4 V~ Com
A
O 2
A
O 1
Com
24 Vac
0-10 Vdc
Heating valve
Cooling valve
Com
24 Vac
0-10 Vdc
Heating / Cooling valve
Com
24 Vac
0-10 Vdc
24 V~ Hot
24 V~ Com
O 1

Related product manuals