EasyManua.ls Logo

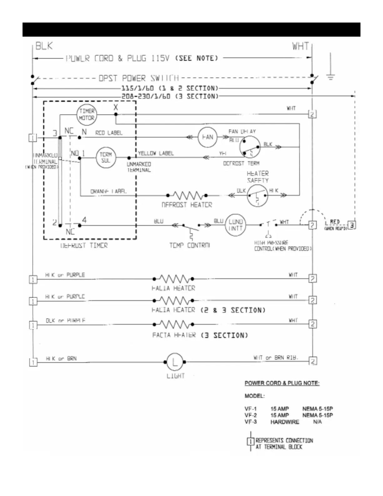
Victory VF-1 - 1, 2 & 3 Section Freezer Wiring Diagram

Victory VF-1
17 pages
Print Icon
To Next Page IconTo Next Page
To Next Page IconTo Next Page
To Previous Page IconTo Previous Page
To Previous Page IconTo Previous Page
Loading...
1, 2 & 3 Section Freezer Wiring Diagram
13

Other manuals for Victory VF-1

Related product manuals