EasyManua.ls Logo

Viessmann Vitocal 200-A - Page 16

Viessmann Vitocal 200-A
236 pages
Print Icon
To Next Page IconTo Next Page
To Next Page IconTo Next Page
To Previous Page IconTo Previous Page
To Previous Page IconTo Previous Page
Loading...
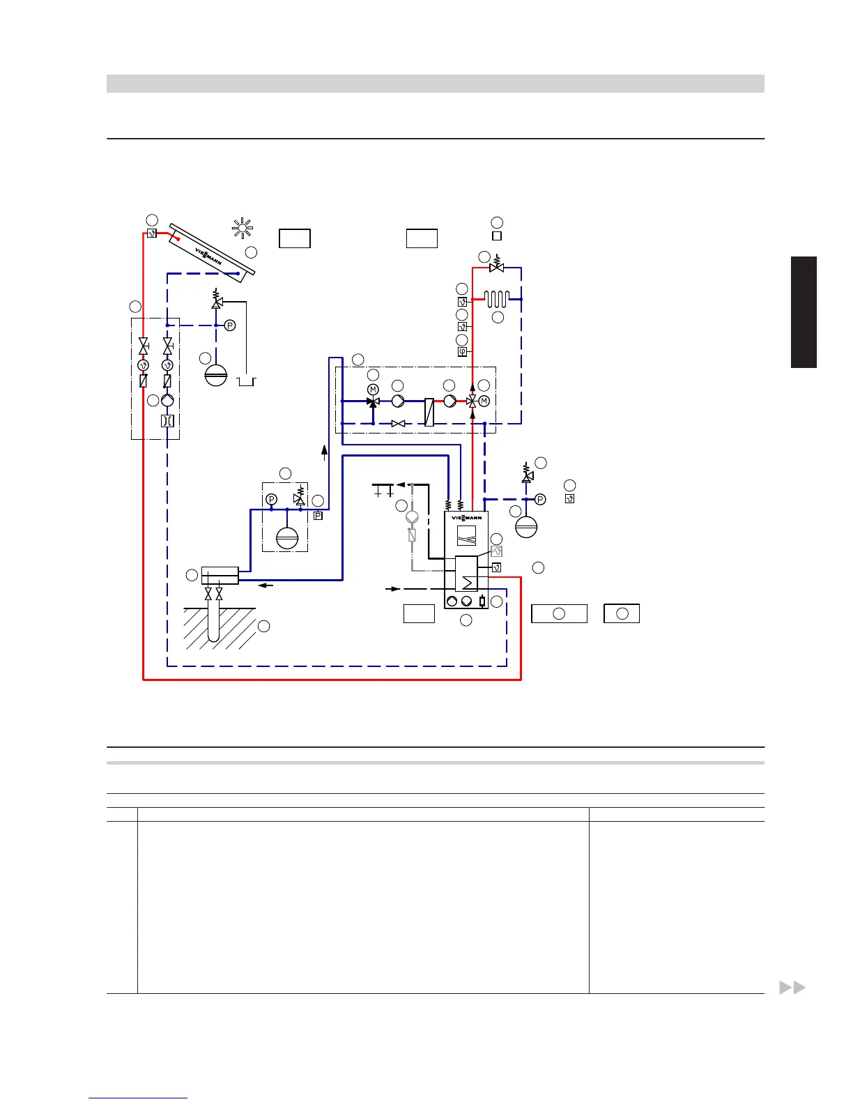
Hydraulic installation scheme ID: 4605086_1304_05
43
42
44
45
P1
21
20
22
27
49
90
KW
WW
94
--2/X3.8;3.9--
37
--2/212.3--
4
1
12
13
3
2
P1
--X3.8;3.9--
--211.2--
--211.5--
--212.3--
--230V--
--F0--
--F14--
--KM BUS--
--2/211.2--
--2/F0--
--47/6--
----47/24--
89
--2/F14--
83
--80/X4.1;2--
85
84
82
81
80
--2/211.5--
91
92
--8/145--
8
--145--
--145--
--145--
--145--
A1
41
--47/24--
rU
--230V--
--24--
--5--
--6--
48
--47/5--
--230V--
--R1-6--
--2/211.5--
qCP
qCQ
--130/R1-6--
Note: This scheme is a general example without shut-off valves or safety equipment. This does not replace the need for on-site engineering.
Equipment required
ID: 4605086_1304_05
Pos. Designation Part no.
Heat source
1
2
Compact heat pump Vitocal 222/242/333/343-G with:
Integral control unit
Primary pump
Secondary pump
3-way diverter valve for "Central heating/DHW heating"
Cylinder loading pump (only 242/343-G)
DHW cylinder
Cylinder temperature sensor
See Viessmann pricelist
3
Outside temperature sensor ATS Standard delivery pos. 1
4
Instantaneous heating water heater Standard delivery pos. 1
qW
Safety assembly Standard delivery pos. 1
qE
Expansion vessel, heating circuit See Vitoset pricelist
Vitocal 222-G/242-G/333-G/333-G NC/343-G
(cont.)
System examples
VIESMANN
21
5822 472 GB
2

Other manuals for Viessmann Vitocal 200-A

Related product manuals