EasyManua.ls Logo

Viessmann Vitocal 200-A - Page 221

Viessmann Vitocal 200-A
236 pages
Print Icon
To Next Page IconTo Next Page
To Next Page IconTo Next Page
To Previous Page IconTo Previous Page
To Previous Page IconTo Previous Page
Loading...
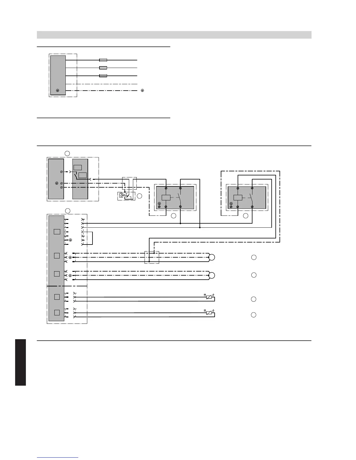
Control panel
L3
N
L2
L1
400 V, 50 Hz
16 A
16 A
16 A
L3
N
L2
L1
ID: 4605058_1304_05
On-site wiring for external heat source demand plus DHW heating using the Vitotronic boiler control unit as an example. Match the
hook-up according to the installed boiler control unit.
230 V/50 Hz
2
X2.N
X1.
222.4
222.3
X3.1
STB
55
5
1
2
N
L1
M
1~
STS
21
3
1
1
2
ATS
3
32
51
TR
ON
150
N
STB
STB
TR/ON
UPSB
52
230 V/50 Hz
Low voltage
N
L1
M
1~
28
ZP
37
57
56
K2
K1
A1
A2
A1
A2
14
13
14
13
58
ID: 4605058_1304_05
Insert jumper from 1X3.1 to 222.3
Vitocal 300-A/350-A
(cont.)
226
VIESMANN
System examples
7
5822 472 GB