EasyManua.ls Logo

Viessmann Vitocal 200-A - Page 223

Viessmann Vitocal 200-A
236 pages
Print Icon
To Next Page IconTo Next Page
To Next Page IconTo Next Page
To Previous Page IconTo Previous Page
To Previous Page IconTo Previous Page
Loading...
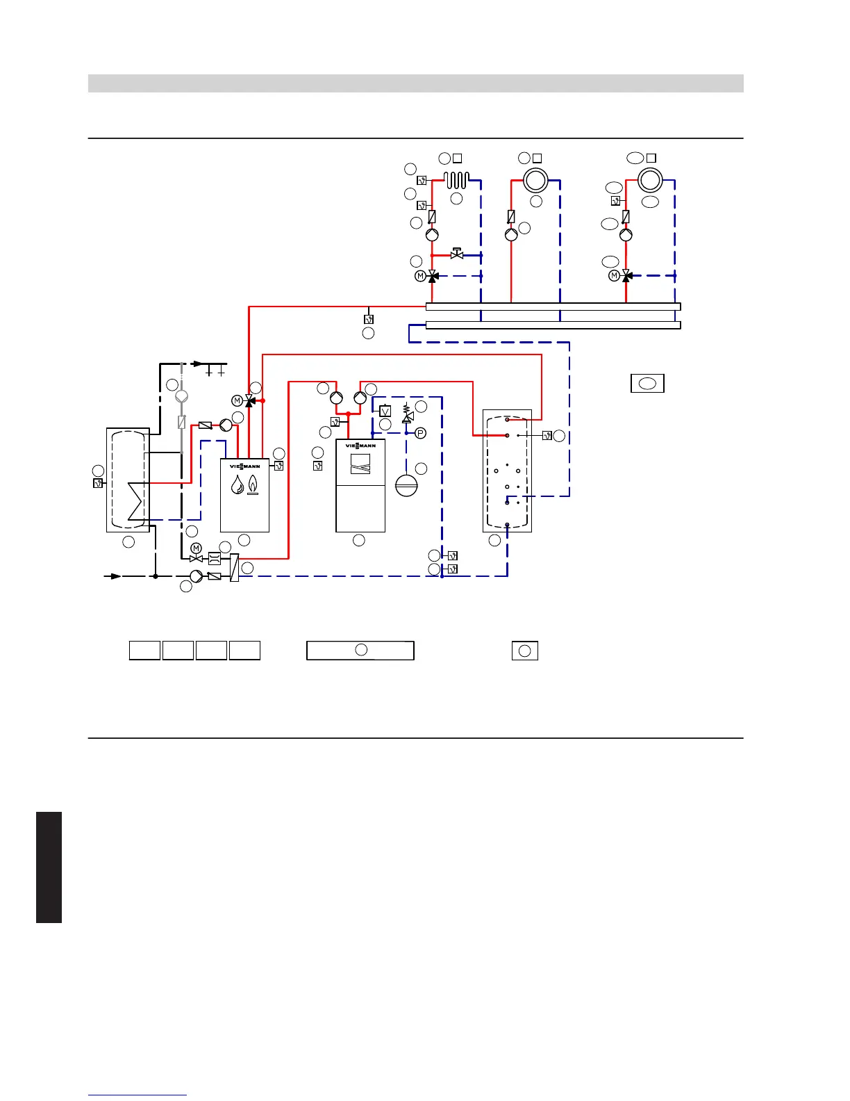
Hydraulic installation scheme ID: 4605059_1304_06
2
--230V--
-KM BUS-
61
62
96
90
91
60
--2/F4--
--2/212.2--
KW
WW
30
50
--
14
55
53
52
54
--2/222.1;2--
--2/F20--
-2/222.4-
-2/211.2--6-
-2/224.7-
--
--2/F13--
32
37
34
36
35
33
--2/224.6--
--
-2/212.3-
--2/F6--
74
73
71
77
76
--2/F12--
-2/225.1--76-
--74/20--
--2/225.2;3--
12
13
1
7
5
6
3
--2/F0--
70
-2/211.4-
-2/211.2--14-
--
--2/F8--
-2/224.6-
--F13--
--F20--
--F4--
--F6--
--F0--
--F8--
--F12--
--212.2--
--222.1;2--
--225.1--
--222.4--
--212.3--
--211.2--
--224.7--
--225.2;3--
--224.6--
--211.4--
--
-8/145-
-8/145-
8
--145--
--145--
--145--
--105/2--
--105/20--
--105/52--
--20--
--52--
-230V-
--2--
-KM BUS-
105
101
100
103
106
107
-8/145-
M2
A1
M3
15
-2/X3.3;3.4-
--X3.3;3.4--
tP
--KM BUS--
--230V--
tQ
--KM BUS--
--DE1--
--DE2--
--230V--
tZ
--21/22----2/222.4--
tU
--13/14----2/224.7--
Note: This scheme is a general example without shut-off valves or safety equipment. This does not replace the need for on-site engineering.
Vitocal 300-A/350-A
(cont.)
228
VIESMANN
System examples
7
5822 472 GB