EasyManua.ls Logo

Viessmann Vitocal 200-A - Page 26

Viessmann Vitocal 200-A
236 pages
Print Icon
To Next Page IconTo Next Page
To Next Page IconTo Next Page
To Previous Page IconTo Previous Page
To Previous Page IconTo Previous Page
Loading...
Hydraulic installation scheme ID: 4605089_1304_05
43
42
44
45
P1
21
20
22
27
49
KW
WW
--2/X3.8;3.9--
37
--2/212.3--
4
1
12
13
3
2
P1
--X3.8;3.9--
--212.2--
--212.3--
--225.1--
--225.2;3--
--230V--
--F0--
--F4--
--F12--
--KM BUS--
--2/F0--
--47/6--
----47/24--
61
96
90
91
71
70
73
74
76
77
60
--2/F4--
--2/212.2--
--2/F12--
--2/225.1--
--2/225.1--
-2/225.2;3-
--20--
--52--
--230V--
--2--
-KM BUS-
-105/2-
-105/20-
-105/52-
105
101
100
103
106
107
-8/145-
-8/145-
-8/145-
8
--145--
--145--
--145--
A1
M2
M3
41
--47/24--
rU
--230V--
--24--
--5--
--6--
48
--47/5--
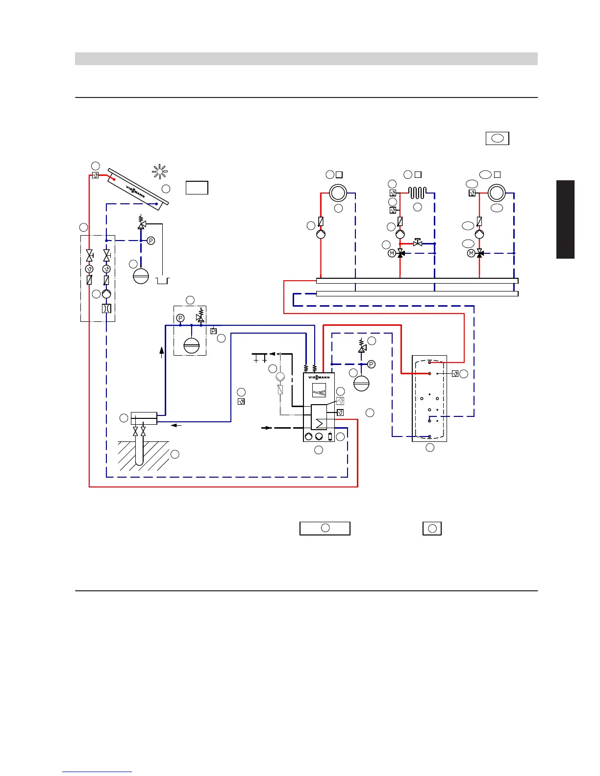
Note: This scheme is a general example without shut-off valves or safety equipment. This does not replace the need for on-site engineering.
Vitocal 222-G/242-G/333-G/333-G NC/343-G
(cont.)
System examples
VIESMANN
31
5822 472 GB
2

Other manuals for Viessmann Vitocal 200-A

Related product manuals