EasyManua.ls Logo

Viessmann Vitocal 200-A - Page 33

Viessmann Vitocal 200-A
236 pages
Print Icon
To Next Page IconTo Next Page
To Next Page IconTo Next Page
To Previous Page IconTo Previous Page
To Previous Page IconTo Previous Page
Loading...
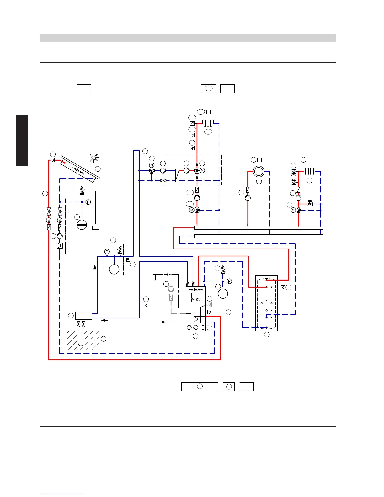
Hydraulic installation scheme ID: 4605090_1304_05
43
42
44
45
P1
21
20
22
27
49
KW
WW
--2/X3.8;3.9--
37
--2/212.3--
4
1
12
13
3
2
P1
--X3.8;3.9--
--211.5--
--212.2--
--212.3--
--225.1--
--225.2;3--
--230V--
--F0--
--F4--
--F12--
--KM BUS--
--2/F0--
--47/6--
----47/24--
61
96
90
91
71
70
73
74
76
77
60
--2/F4--
--2/212.2--
--2/F12--
--2/225.1--
--74/20--
-2/225.2;3-
--20--
--52--
--230V--
--2--
-KM BUS-
-105/2-
-105/20-
-105/52-
105
101
100
103
106
107
104
-105/20-
83
--80/X4.1;2--
85
84
82
81
80
--2/211.5--
8
--145--
--145--
--145--
-8/145-
-8/145-
-8/145-
A1
M2
M3
41
--47/24--
rU
--230V--
--24--
--5--
--6--
48
--47/5--
--230V--
--R1-6--
--2/211.5--
qCP
qCQ
--130/R1-6--
Note: This scheme is a general example without shut-off valves or safety equipment. This does not replace the need for on-site engineering.
Vitocal 222-G/242-G/333-G/333-G NC/343-G
(cont.)
38
VIESMANN
System examples
2
5822 472 GB

Other manuals for Viessmann Vitocal 200-A

Related product manuals