EasyManua.ls Logo

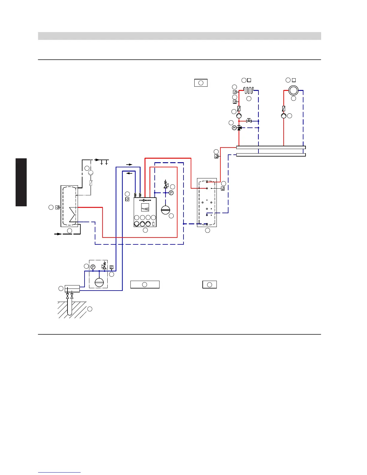
Viessmann Vitocal 200-A - 3.2 Vitocal 200-G, with one heating circuit without mixer, with DHW heating; Central heating with the heat pump; DHW heating by heat pump

Viessmann Vitocal 200-A
236 pages
Print Icon
To Next Page IconTo Next Page
To Next Page IconTo Next Page
To Previous Page IconTo Previous Page
To Previous Page IconTo Previous Page
Loading...
Hydraulic installation scheme ID: 4605412_1304_03
P1
21
20
22
27
13
2
1
4
3
71
70
M2
8
6
15
KW
WW
30
32
37
--2/212.3--
--2/F6--
12
--2/F0--
--8/145--
--F6--
--F0--
--KM BUS--
--X3.8;3.9--
--145--
--145--
--212.3--
--212.2--
--230V--
--145--
61
60
--2/F4--
91
90
73
74
75
--20--
--52--
--230V--
--2--
-KM BUS-
--75/2--
--75/20--
-8/145-
A1
96
--2/212.2--
76
77
--75/20--
--75/52--
--F4--
--211.2--
7
--211.3--
--211.4--
--211.1--
---B/137--
--2/X3.8;3.9--
62
--2/F13--
Note: This scheme is a general example without shut-off valves or safety equipment. This does not replace the need for on-site engineering.
Vitocal 200-G
(cont.)
58
VIESMANN
System examples
3
5822 472 GB

Other manuals for Viessmann Vitocal 200-A

Related product manuals