EasyManua.ls Logo

Viessmann VITOCAL 300-A - Page 72

Viessmann VITOCAL 300-A
236 pages
Print Icon
To Next Page IconTo Next Page
To Next Page IconTo Next Page
To Previous Page IconTo Previous Page
To Previous Page IconTo Previous Page
Loading...
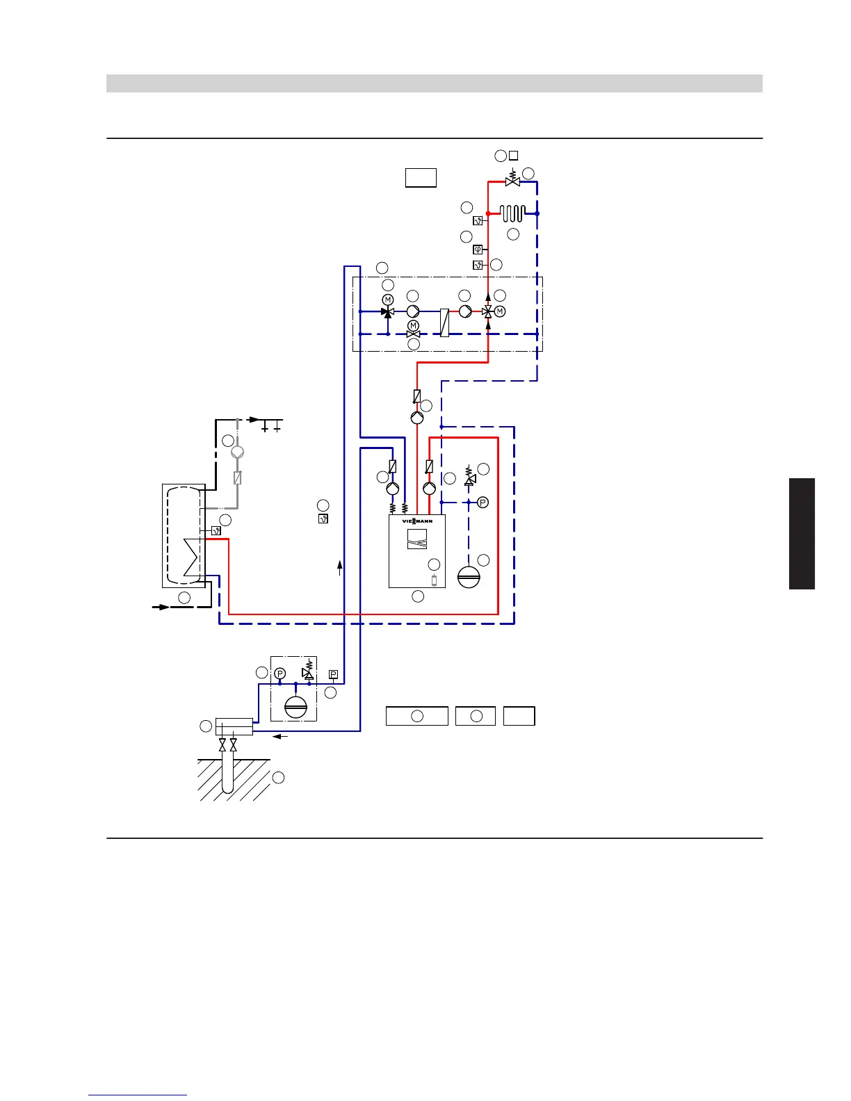
Hydraulic installation scheme ID: 4605350_1304_03
P1
15
14
13
12
--2/X3.8;9--
8
9
2
--230V--
--KM BUS--
44
41
42
40
--2/211.5--
KW
WW
20
1
4
5
7
6
10
--2/F0--
--2/211.1--
--2/211.2--
--
--2/211.4--
-
22
--2/212.3--
43
33
31
--2/211.2--
--11/145--
--X3.8;3.9--
--F6--
--211.1--
--211.2--
--211.4--
--F0--
--211.5--
--212.3--
--B/137--
30
A1
--2/F6--
21
-40/X4.1;4.2-
32
45
46
89
--2/F14--
--F14--
11
--145--
--145--
--145--
--11/145--
--230V--
--R1-6--
--2/211.5--
qCP
qCQ
--130/R1-6--
Note: This scheme is a general example without shut-off valves or safety equipment. This does not replace the need for on-site engineering.
Vitocal 300-G/350-G
(cont.)
System examples
VIESMANN
77
5822 472 GB
4

Other manuals for Viessmann VITOCAL 300-A

Related product manuals