EasyManua.ls Logo

Viessmann VITOCAL 300-A - Page 87

Viessmann VITOCAL 300-A
236 pages
Print Icon
To Next Page IconTo Next Page
To Next Page IconTo Next Page
To Previous Page IconTo Previous Page
To Previous Page IconTo Previous Page
Loading...
145
Low voltage
F6
STS
31
1
2
145
PT500
LON
98
123 / 124 / 125
61
VTS M2
63
F12
2
145
11
145
145
2
1
KM BUS distributor
HC A1/M2/M3
120
99
/
Ni500
F0
ATS
10
Ni500
145
70
X4.2
X4.1
73
X2.4
X5.
X2.3
X2.2
X5.
X2.1
NC-Box
230 V/50 Hz
N
L1
211.5
N
L1
2
1
2
FAS
L1
N
4
3
2
1
S1
S2
L
N 20
UP
STB
STS
14
R1
N 18
230 V/50 Hz
15
KOL
21
19
41
145
42
44
45
40
13
R2
N 16
17
SD1
6
5
S3
12
11
PWM
10
9
145
F4
PTS
51
PT500
/
81
2
HC M3
230 V, 50 Hz
VTS
23
F13
PT500
KTS
27
F20
PT500
121 / 122 /
/
91
145
Ext. H1
1
2
40
50
105
40
40A
145
3
4
20
52
2
1
2
VTS M3
1
2
oE
oU
oT
L
N
N
L
UP M3
M
1~
oZ
M3
L
N
UP
M
3~
L3
L2
L1
400 V, 50 Hz
M
1~
USV
104
102
3
1
143
2
TST
101
230 V/50 Hz
N
L1
145
145
A
1
3
2
1
3
2
1
3
2
1
3
2
M
1~
1
3
2
L
N
N
M
1~
L
N
1
3
2
1
3
2
ID: 4605352_1304_03
A
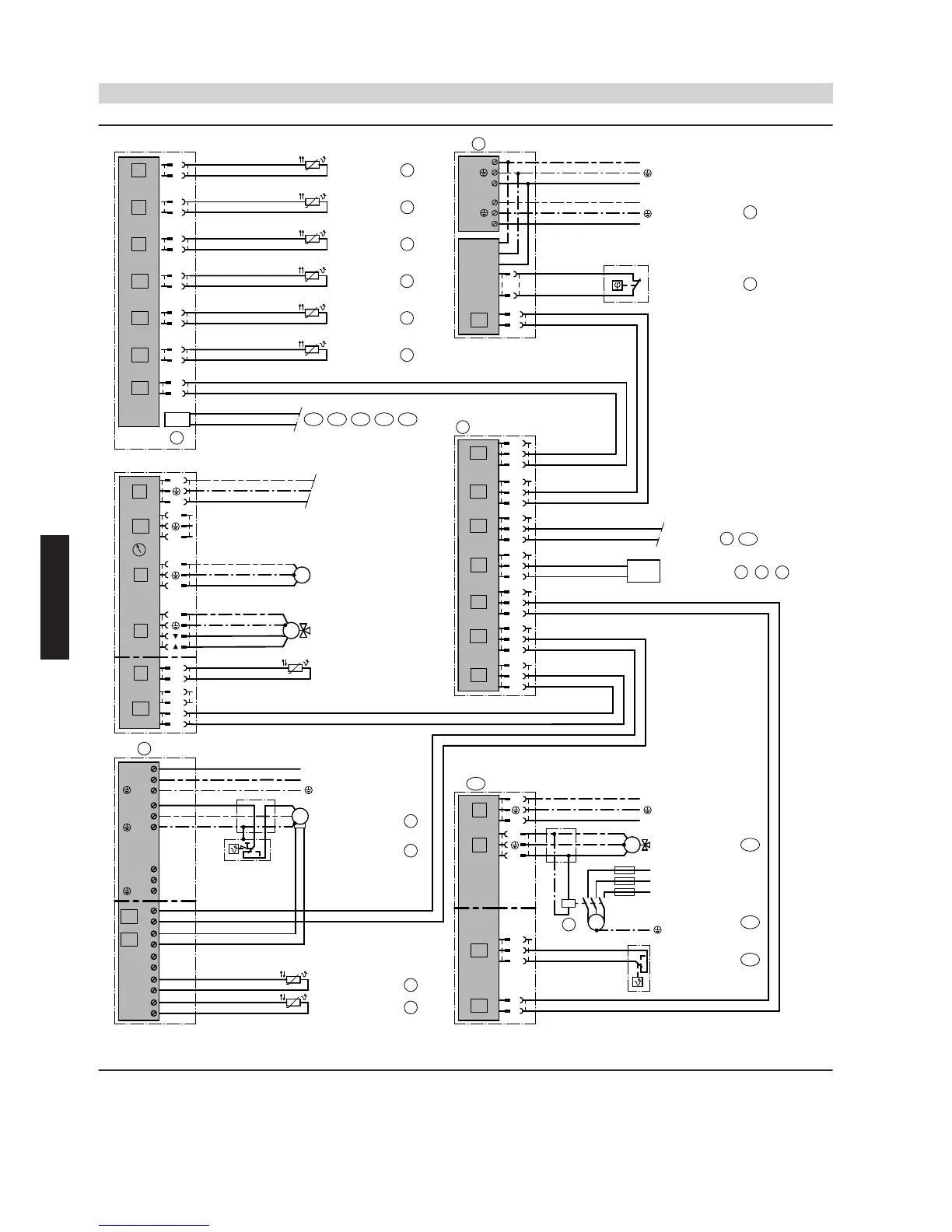
On-site contactor relay
Vitocal 300-G/350-G
(cont.)
92
VIESMANN
System examples
4
5822 472 GB

Other manuals for Viessmann VITOCAL 300-A

Related product manuals