EasyManua.ls Logo

Viessmann VITOCAL 300-A - Page 96

Viessmann VITOCAL 300-A
236 pages
Print Icon
To Next Page IconTo Next Page
To Next Page IconTo Next Page
To Previous Page IconTo Previous Page
To Previous Page IconTo Previous Page
Loading...
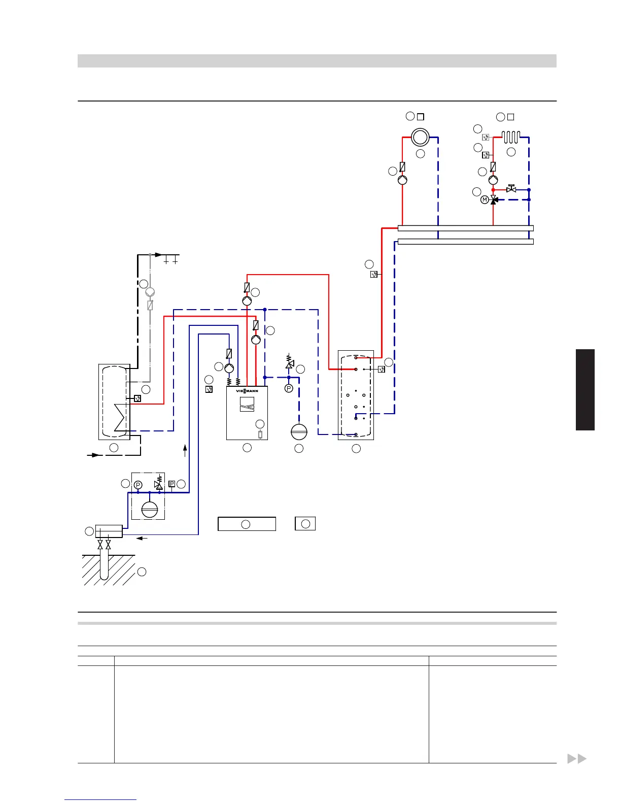
Hydraulic installation scheme ID: 4605354_1304_03
KW
WW
21
4
12
6
7
5
1
13
60
30
27
22
20
32
37
61
62
91
71
90
70
96
74
73
76
77
--230V--
--KM BUS--
2
3
--145--
8
--145--
--145--
--2/212.2--
--8/145--
--8/145--
--2/225.1--76--
--74/20--
--2/225.2;3--
--2/F12--
--2/F13--
--2/F4--
--2/X3.8;3.9--
--2/212.3--
-
--2/F6--
--2/F0--
---2/211.4--
--2/211.2--
--X3.8;3.9--
--212.3--
--211.2--
--211.4--
--212.2--
--225.1--
--225.2;3--
--F0--
--F6--
--F4--
--F12--
--F13--
P1
--2/211.1--
--211.1--
-
A1
M2
--B/137--
Note: This scheme is a general example without shut-off valves or safety equipment. This does not replace the need for on-site engineering.
Equipment required
ID: 4605354_1304_03
Pos. Designation Part no.
Heat source
1
Heat pump See Viessmann pricelist
2
Heat pump control unit Vitotronic 200, type WO1B Standard delivery pos. 1
3
Outside temperature sensor ATS Standard delivery pos. 2
4
Instantaneous heating water heater
(optional only for Vitocal 300-G up to 17 kW, Vitocal 350-G with 7 kW)
See Viessmann pricelist
6
Secondary pump (integrated for type BWC) See Viessmann pricelist
7
Circulation pump for cylinder heating UPSB (integrated for type BWC) See Viessmann pricelist
qW
Safety equipment block with safety assembly (standard delivery for type BWC) 7143 779
qE
Expansion vessel secondary circuit See Vitoset pricelist
Vitocal 300-G/350-G
(cont.)
System examples
VIESMANN
101
5822 472 GB
4

Other manuals for Viessmann VITOCAL 300-A

Related product manuals