EasyManua.ls Logo

Viessmann VITOCAL 350-A - Page 77

Viessmann VITOCAL 350-A
236 pages
Print Icon
To Next Page IconTo Next Page
To Next Page IconTo Next Page
To Previous Page IconTo Previous Page
To Previous Page IconTo Previous Page
Loading...
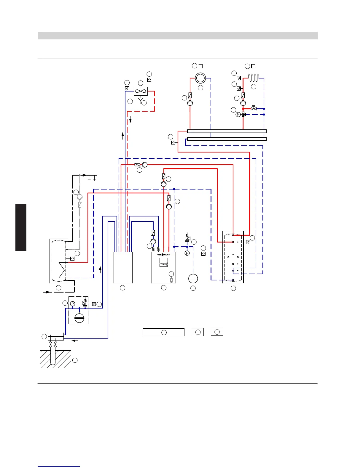
Hydraulic installation scheme ID: 4605351_1304_03
KW
WW
15
4
8
6
7
5
1
16
9
30
20
12
13
14
21
22
31
32
43
40
41
42
61
51
60
50
63
54
53
55
56
--230V--
--KM BUS--
2
10
--145--
11
--145--
--145--
--2/212.2--
--11/145--
--11/145--
--2/225.1--55--
--54/20--
--2/225.2;3--
--2/F12--
--2/F13--
--2/F16--
--2/F14--
--2/F4--
--2/X3.8;3.9--
--2/212.3--
-
--2/F6--
--2/F0--
---2/211.4--
--2/211.2--
--212.1--
--X3.8;3.9--
--212.3--
--211.2--
--211.4--
--212.2--
--225.1--
--225.2;3--
--F16--
--F14--
--F0--
--F6--
--F4--
--F12--
--F13--
P1
--2/211.1--
--211.1--
-
A1
M2
44
--B/137--
46
--212.1--
--13-14--
45
--46/13-14--
Note: This scheme is a general example without shut-off valves or safety equipment. This does not replace the need for on-site engineering.
Vitocal 300-G/350-G
(cont.)
82
VIESMANN
System examples
4
5822 472 GB

Other manuals for Viessmann VITOCAL 350-A

Related product manuals