EasyManua.ls Logo

Viessmann Vitoclima 300-S - Page 8

Viessmann Vitoclima 300-S
60 pages
Print Icon
To Next Page IconTo Next Page
To Next Page IconTo Next Page
To Previous Page IconTo Previous Page
To Previous Page IconTo Previous Page
Loading...
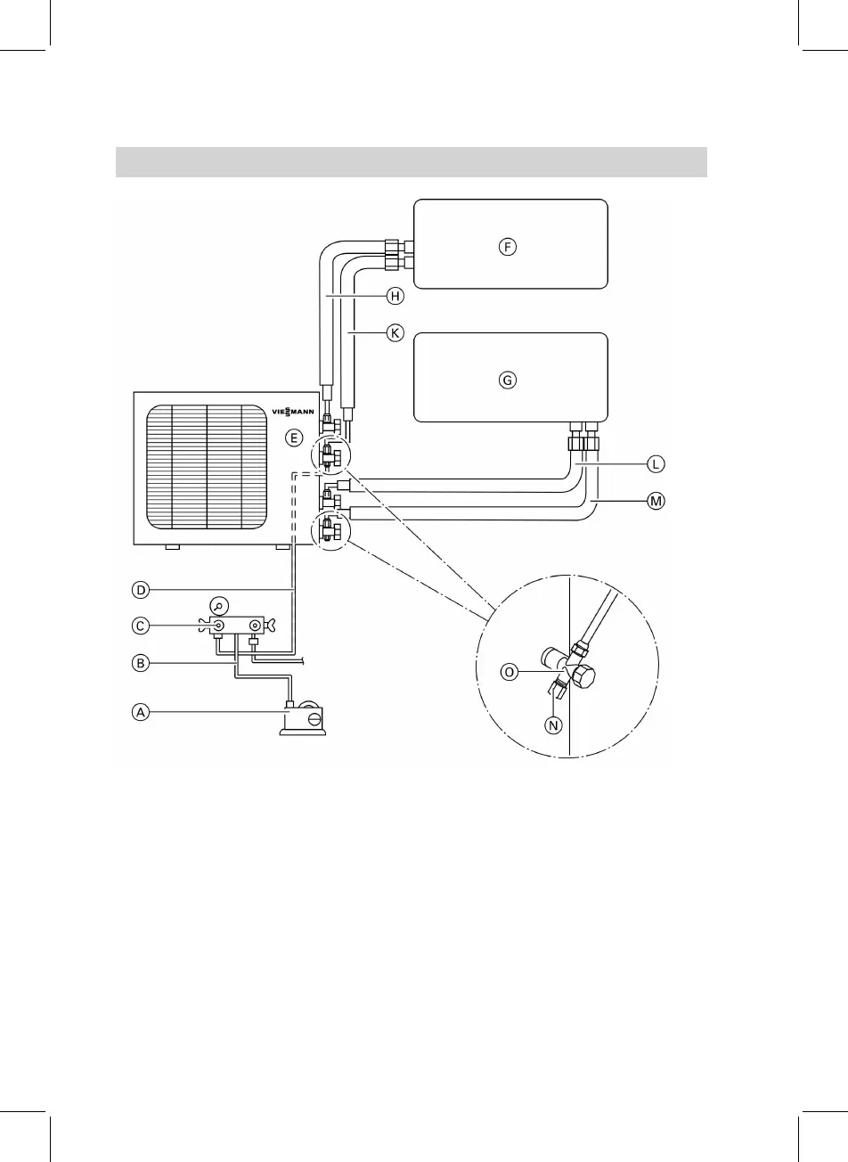
A Vacuum pump
B Filling hose for connecting the
pressure gauge set and the
vacuum pump
C Pressure gauge set
D Filling hose for service valve (one
hose end with valve)
E External unit
F Internal device A
G Internal device B
H Liquid line
K Suction line
L Liquid line
M Suction line
N Service valve with protective cap
O Three-way valve
Evacuate the system at the service valves of the external unit.
Evacuate the internal devices F and G in sequence.
Further details regarding the individual steps (cont.)
8
Commissioning, inspection, maintenance
5692 689 GB

Other manuals for Viessmann Vitoclima 300-S