EasyManua.ls Logo

ViewSonic va1616w-8 - Other IC Descriptions

ViewSonic va1616w-8
72 pages
Print Icon
To Next Page IconTo Next Page
To Next Page IconTo Next Page
To Previous Page IconTo Previous Page
To Previous Page IconTo Previous Page
Loading...
- 21 –
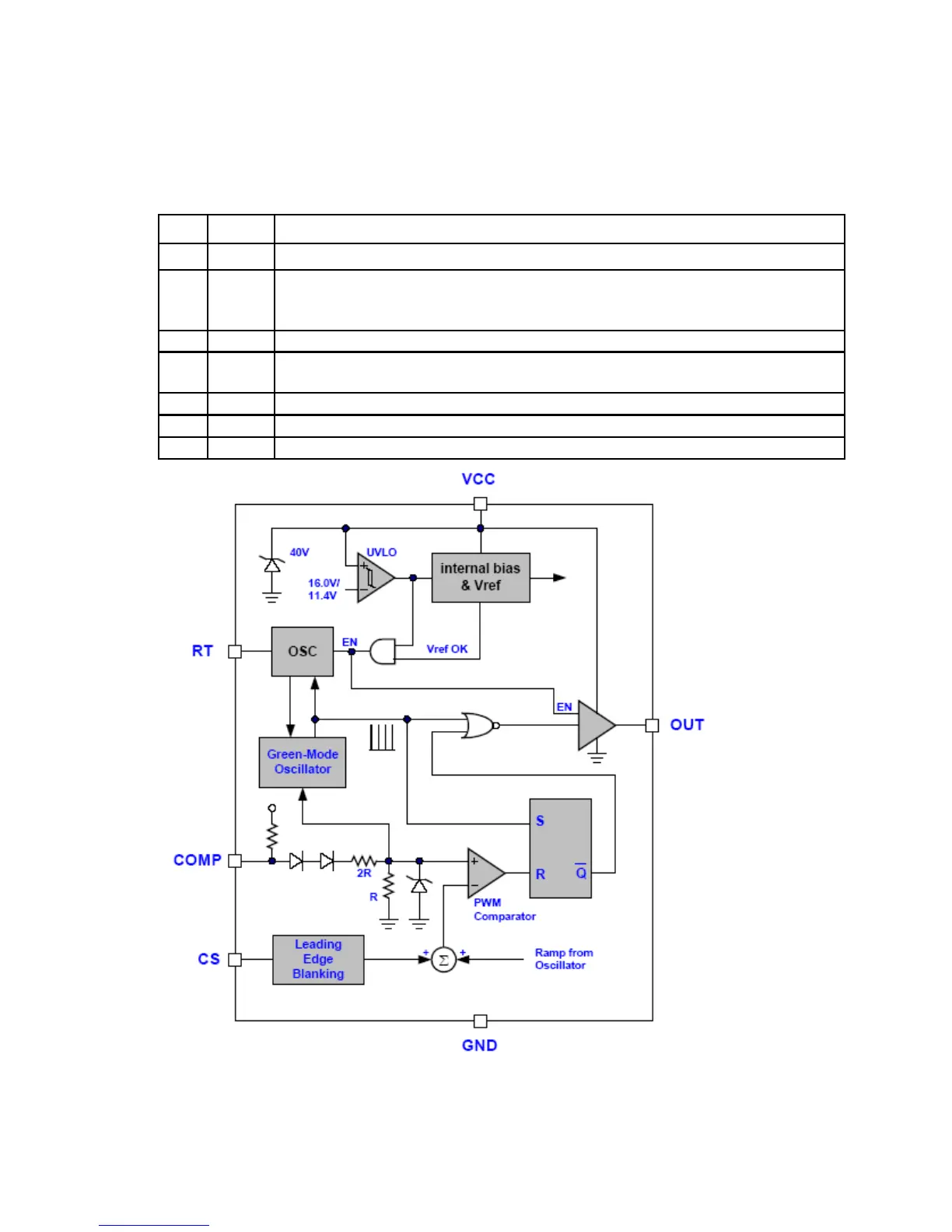
LD7552BPS (IC901): PWM control, high-voltage startup current. The circuit unit has
functions such as over-current protection, over-voltage protection, output short-circuit
protection and etc. The function of each pin and the inside circuit diagram are as follows:
Pin Name Function
1 GND Ground
2 COMP
Voltage feedback pin (same as the COMP pin in UC384X), By
connecting a photo-coupler to close the control loop and achieve the
regulation
3 VCC Supply voltage pin
4 RT
This pin is to program the switching frequency. By connecting a resistor
to ground to set the switching frequency.
6 NC Unconnected pin
7 VCC Supply voltage pin
8 OUT Gate drive output to drive the external MOSFET

Related product manuals