EasyManua.ls Logo

Viking DMOR200SS - Page 11

Viking DMOR200SS
37 pages
Print Icon
To Next Page IconTo Next Page
To Next Page IconTo Next Page
To Previous Page IconTo Previous Page
To Previous Page IconTo Previous Page
Loading...
11
DMOR200SS
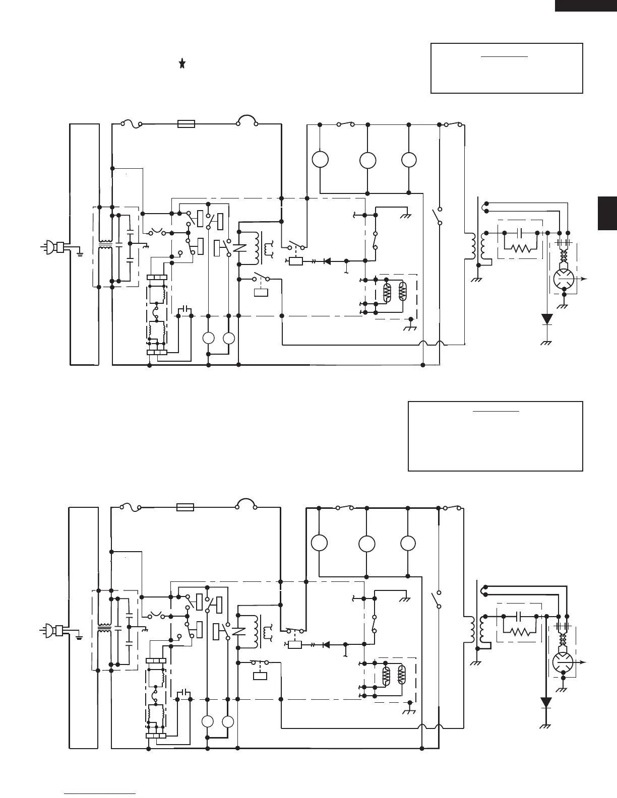
SCHEMATIC
NOTE: CONDITION OF OVEN
1. DOOR CLOSED.
2. COOKING TIME PROGRAMMED.
3. VARIABLE COOKING CONTROL
"HIGH".
Figure O-2. Oven Schematic-Cooking Condition
Figure O-1. Oven Schematic-Off Condition
SCHEMATIC
NOTE: CONDITION OF OVEN
1. DOOR CLOSED.
2. CLOCK APPEARS ON DISPLAY.
NOTE: " " indicates components with potential above 250V.
CAVITY THERMAL
CUTOUT
120VAC
60Hz
BLK
WHT
BLK
WHT
GRN
MAGNETRON
TEMP
FUSE
PRIMARY
INTERLOCK
SWITCH
POWER
TRANSFORMER
MAGNETRON
HIGH
VOLTAGE
CAPACITOR
GRY
GND
GRY
COM.
N.O.
N.C.
HIGH
VOLTAGE
RECTIFIER
NOISE
FILTER
RED
RED
H
N
C1
C2
C3
L
GND
BLK
MONITOR
FUSE
COM.
WHT
GRY
BRN
BRN
WHT
B2
B1
CONTROL UNIT
N.O.
(RY2)
COM.
DOOR
SENSING
SWITCH
TTM
FM
TURN
TABLE
MOTOR
FAN
MOTOR
OVEN
LAMP
ORG
SECONDARY
INTERLOCK
RELAY
RED
F3
F2
F1
SENSOR
(RY1)
OVEN
LAMP
RELAY
HUMIDITY
BRN
THIRD
DOOR
SWITCH
N.O.
COM.
COM.
MONITOR
SWITCH
OL
GRY
HOOD
HOOD
MOTOR
BLU
N.O.
HL
BLK
RED
ORG
BLK
BLK
GRY
B5
A5
RY4
RY6
RY5
RY3
NC
LOW
BLK
WHT
HIGH
B7
B9
CAPACITOR
A1
A3
B1
B3
RED
YLW
GRY
WHT
GRY
BLU
BLU
BRN
RED
WHT
BRN
WHT
HL
BLU or
PNK
CUTOUT
THERMAL
HOOD FAN
RED or
WHT
WHT
WHT
GRY
GRY
CAVITY THERMAL
CUTOUT
120VAC
60Hz
BLK
WHT
BLK
WHT
GRN
MAGNETRON
TEMP
FUSE
PRIMARY
INTERLOCK
SWITCH
POWER
TRANSFORMER
MAGNETRON
HIGH
VOLTAGE
CAPACITOR
GRY
GND
GRY
COM.
N.O.
N.C.
HIGH
VOLTAGE
RECTIFIER
NOISE
FILTER
RED
RED
H
N
C1
C2
C3
L
GND
BLK
MONITOR
FUSE
COM.
WHT
GRY
BRN
BRN
WHT
B2
B1
CONTROL UNIT
N.O.
(RY2)
COM.
DOOR
SENSING
SWITCH
TTM
FM
TURN
TABLE
MOTOR
FAN
MOTOR
OVEN
LAMP
ORG
SECONDARY
INTERLOCK
RELAY
RED
F3
F2
F1
SENSOR
(RY1)
OVEN
LAMP
RELAY
HUMIDITY
BRN
THIRD
DOOR
SWITCH
N.O.
COM.
COM.
MONITOR
SWITCH
OL
GRY
HOOD
HOOD
MOTOR
BLU
N.O.
HL
BLK
RED
ORG
BLK
BLK
GRY
B5
A5
RY4
RY6
RY5
RY3
NC
LOW
BLK
WHT
HIGH
B7
B9
CAPACITOR
A1
A3
B1
B3
RED
YLW
GRY
WHT
GRY
BLU
BLU
BRN
RED
WHT
BRN
WHT
HL
BLU or
PNK
CUTOUT
THERMAL
HOOD FAN
RED or
WHT
WHT
WHT
GRY
GRY

Other manuals for Viking DMOR200SS

Related product manuals