EasyManua.ls Logo

Viking HF-3W - Page 2

Viking HF-3W
4 pages
Print Icon
To Next Page IconTo Next Page
To Next Page IconTo Next Page
To Previous Page IconTo Previous Page
To Previous Page IconTo Previous Page
Loading...
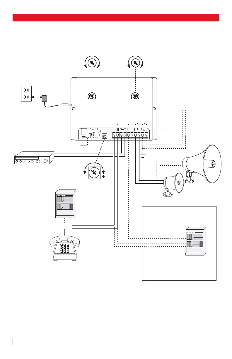
Installation
123456 78910
JP1
JP2
C
LED1
VIKING©
VIKING
ELECTRONICS
HUDSON,
WI
54016
HANDSFREE TALK BACK
PAGING SYSTEM
POWER 13.8V AC
MODEL HF-3W
TALK BACK
VOLUME
PAGING
VOLUME
MIN
MAX
MIN
MAX
12345678910
PAGING
INPUT
PUSH TO
TALK
PAGING
HORN
PAGE
TRIGGER
MUSIC
INPUT
TALK BATTERY
SHUNT
ALERT TONE
VOLUME
Unused
PABX/KSU
Trunk Port
Single or Multi-
Line Phone
Existing Paging
System
or
Background
Music Source
Speaker Output
25AE
Paging Horn
(included)
White
Black
Optional Paging Port
Installation
600 Ohm Two-Way Paging Port
with Contact Closure. Remove
Talk Battery Shunt (JP1).
Contact Closure
Two-Way
Paging Port
JP1
JP2
Alert Tone
Volume
13.8V AC
Adapter
(included)
120V AC
OR
* To Optional
Push-To-Talk
Button
(not included)
** Optional 300AE
Paging Horn
***
TALK BACK
VOLUME
MIN MAX
PAGING
VOLUME
MIN MAX
IMPORTANT: Electronic devices are susceptible to lightning and power station electrical surges from
both the AC outlet and the telephone line. It is recommended that a surge protector be installed to
protect against such surges.
2
* Note: For loud background noise, an optional “Push-to-Talk” button may be added, using a N/O or
N/C switch or the Viking SW-2 panel mount switch (DOD# 844). Important: JP2 must be removed.
** Note: An optional 300AE Paging Horn may be used in place of the included horn to increase the
paging area, and voice intelligibility. Not compatible with ceiling speakers.
*** Note: If power supply hum/buzz is heard in the talk-back audio, earth ground screw terminal 9.

Related product manuals