EasyManua.ls Logo

Vimar Elvox 875G - Wiring Diagram for Unifamiliare Kit 875 G; Wiring Diagram for Bifamiliare Kit 875 E

Vimar Elvox 875G
12 pages
Print Icon
To Next Page IconTo Next Page
To Next Page IconTo Next Page
To Previous Page IconTo Previous Page
To Previous Page IconTo Previous Page
Loading...
2
ITENFRDEESPT
MINIMUM CONDUCTOR SECTION (mm²)
SEZIONE MINIMA CONDUTTORI (mm²)
- + Lock +T
OTHERS
ALTRI
MORSETTI
TERMINALS
- + Serrat. +T
0,25mm² 0,5mm²
50 Mt.
0,5mm²
100 Mt.
0,75mm²
1mm²
200 Mt.
1,5mm²
PULSANTE SUPPLEMENTARE SERRATURA
D-
POSTO ESTERNO ART. 930G
SPEECH UNIT ART. 930G
AUDIO ENTRANCE PANEL Art. 88T2
12V~ ELECTRIC LOCK
TARGA AUDIO Art. 88T2
SERRATURA ELETTRICA 12V~
AUXILIARY LOCK PUSH-BUTTON
B-
C-
A2-
2
3
6
7
1
8
2
5
6
3
OPTIONAL
RIPETITORE DI CHIAMATA Art. 2/841 (optional)
Variante di collegamento per
AUDIO ENTRANCE PANEL Art. 88T5
TARGA AUDIO Art. 88T5
A1-
collegare direttamente ai morsetti 3 e 4 del posto esterno Art. 930G.
to connect directly to terminals 3 and 4 of speech unit type 930G.
Cavo di alimentazione separato dai rimanenti conduttori, da
Supply voltage cable separated from the remaining conductors
*
Nel caso di ronzio sulla fonica spostare nel posto esterno Art. 930G,
In case of summing noise on the audio line, displace (on the
i fili di alimentazione della serratura e della luce targa,
dal morsetto 4 al morsetto AS.
speech unit type 930G) the supply voltage wires of the door lock
and the panel lighting from terminal 4 to terminal AS.
N.B.
2
3
6
7
1
8
CH S231
2
3
6
7
1
8
C
2
1
3
AS
4
C1
D
B
P2
P1
120
PRI
*
CH
A2
NAME HOLDER LIGHTING
G-
LED ILLUMINAZIONE CARTELLINO PORTANOME
VOLUME INTERNO
VOLUME ESTERNO
CALL PUSH-BUTTON
E-
PULSANTE DI CHIAMATA
INTERNAL VOLUME
EXRERNAL VOLUME
SETTINGS
REGOLAZIONI
2
3
6
7
1
8
CH S2
31
C
2
1
3
AS
4
C1
D
B
P2
P1
120
PRI
*
A1
A2
A1
RETE-MAINS
RÉSEAU-NETZ
RED-REDE
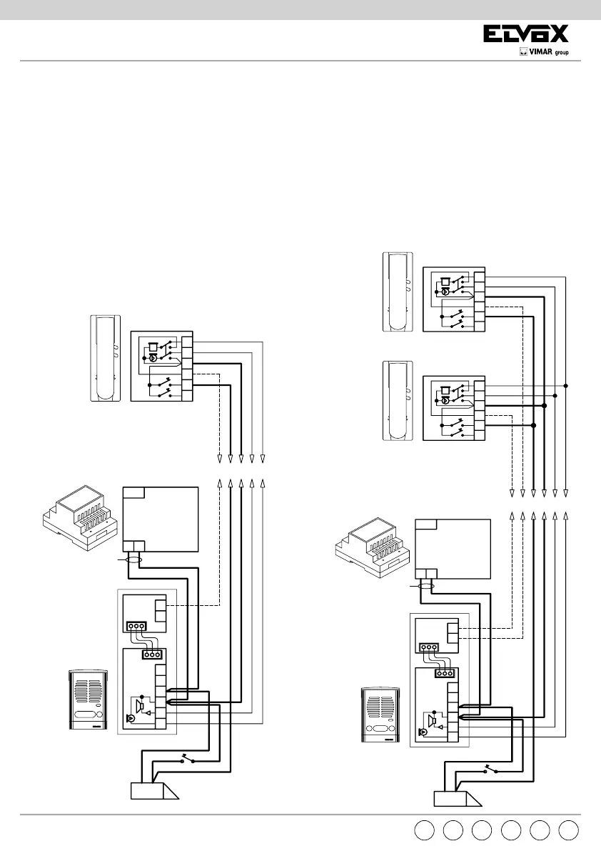
SCHEMA COLLEGAMENTO PORTIERE ELETTRICO
UNIFAMILIARE KIT ART. 875G
WIRING DIAGRAM FOR ELECTRIC DOOR-OPENER
SYSTEM FOR SINGLE RESIDENCE KIT ART. 875G
SCHÉMA DES CONNEXIONS PORTIER ÉLECTRIQUE
POUR VILLA KIT ART. 875G
SCHALTPLAN FÜR EINFAMILIENHAUS-TÜRSPRE-
CHANLAGE SET ART. 875G
ESQUEMA DE CONEXIONADO PORTERO ELÉCTRICO
UNIFAMILIAR KIT ART. 875G
ESQUEMA DE LIGAÇÃO DO PORTEIRO ELÉCTRICO
UNIFAMILIAR KIT ART. 875G
N. SI548
Citofono
Phone
Poste
Haustelefon
Interfono
Telefone
Art. 8875/S
Trasformatore
Transformer
Transformateur
Transformator
Transformador
Art. M832
MINIMUM CONDUCTOR SECTION (mm²)
SEZIONE MINIMA CONDUTTORI (mm²)
- + Lock +T
OTHERS
ALTRI
MORSETTI
TERMINALS
- + Serrat. +T
0,25mm² 0,5mm²
50 Mt.
0,5mm²
100 Mt.
0,75mm²
1mm²
200 Mt.
1,5mm²
PULSANTE SUPPLEMENTARE SERRATURA
D-
POSTO ESTERNO ART. 930G
SPEECH UNIT ART. 930G
AUDIO ENTRANCE PANEL Art. 88T2
12V~ ELECTRIC LOCK
TARGA AUDIO Art. 88T2
SERRATURA ELETTRICA 12V~
AUXILIARY LOCK PUSH-BUTTON
B-
C-
A2-
2
3
6
7
1
8
2
5
6
3
OPTIONAL
RIPETITORE DI CHIAMATA Art. 2/841 (optional)
Variante di collegamento per
AUDIO ENTRANCE PANEL Art. 88T5
TARGA AUDIO Art. 88T5
A1-
collegare direttamente ai morsetti 3 e 4 del posto esterno Art. 930G.
to connect directly to terminals 3 and 4 of speech unit type 930G.
Cavo di alimentazione separato dai rimanenti conduttori, da
Supply voltage cable separated from the remaining conductors
*
Nel caso di ronzio sulla fonica spostare nel posto esterno Art. 930G,
In case of summing noise on the audio line, displace (on the
i fili di alimentazione della serratura e della luce targa,
dal morsetto 4 al morsetto AS.
speech unit type 930G) the supply voltage wires of the door lock
and the panel lighting from terminal 4 to terminal AS.
N.B.
2
3
6
7
1
8
CH S231
2
3
6
7
1
8
C
2
1
3
AS
4
C1
D
B
P2
P1
120
PRI
*
CH
A2
NAME HOLDER LIGHTING
G-
LED ILLUMINAZIONE CARTELLINO PORTANOME
VOLUME INTERNO
VOLUME ESTERNO
CALL PUSH-BUTTON
E-
PULSANTE DI CHIAMATA
INTERNAL VOLUME
EXRERNAL VOLUME
SETTINGS
REGOLAZIONI
2
3
6
7
1
8
CH S231
C
2
1
3
AS
4
C1
D
B
P2
P1
120
PRI
*
A1
A2A1
RETE-MAINS
RÉSEAU-NETZ
RED-REDE
Citofono
Phone
Poste
Haustelefon
Interfono
Telefone
Art. 8875/S
Trasformatore
Transformer
Transformateur
Transformator
Transformador
Art. M832
Citofono
Phone
Poste
Haustelefon
Interfono
Telefone
Art. 8875/S
SCHEMA COLLEGAMENTO PORTIERE ELETTRICO
BIFAMILIARE KIT ART. 875E
WIRING DIAGRAM FOR ELECTRIC DOOR-OPENER
SYSTEM FOR DOUBLE RESIDENCE KIT ART. 875E
SCHÉMA DES CONNEXIONS PORTIER ÉLECTRIQUE
POUR VILLA AVEC DEUX APPARTEMENTS KIT ART.
875E
SCHALTPLAN FÜR ZWEIFAMILIENHAUS-TÜRSPRE-
CHANLAGE SET ART. 875E
ESQUEMA DE CONEXIONADO PORTERO ELÉC-
TRICO BIFAMILIAR KIT ART. 875E
ESQUEMA DE LIGAÇÃO DO PORTEIRO ELÉCTRICO
BIFAMILIAR KIT ART. 875E

Related product manuals