EasyManua.ls Logo

Vimar ELVOX 887U - Installation and Wiring Guidance; Sound System Wiring Diagram; Component Identification

Vimar ELVOX 887U
16 pages
Print Icon
To Next Page IconTo Next Page
To Next Page IconTo Next Page
To Previous Page IconTo Previous Page
To Previous Page IconTo Previous Page
Loading...
-
+
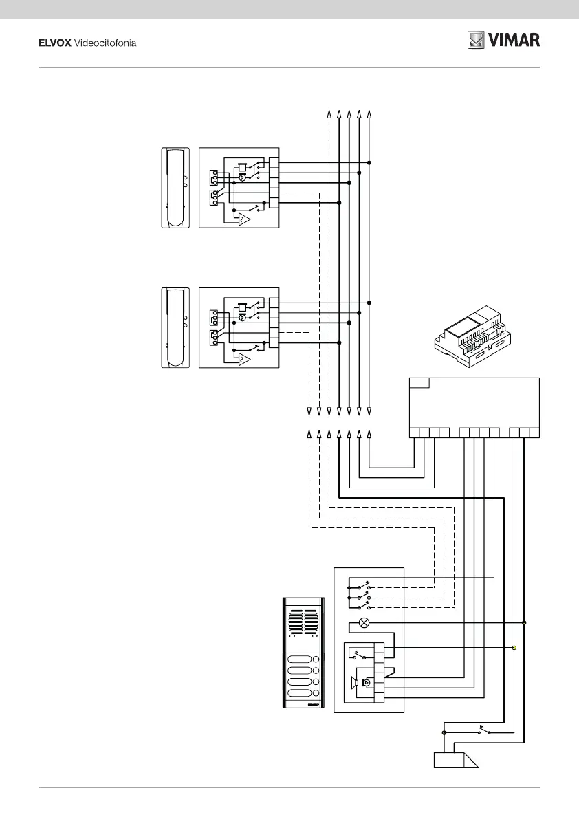
C.A.
E
CN5
CN6
2
3
6
7
1
CH CH S 2 3 1
C
B
1 0 C2 3- 2 6 C1 7 8 15 AS
PRI
3
2 1
CH
S
CH
A
8
3
5
4
6
7
L1
D
C
C
1
7
6
3
2
CN6
CN5
E
C.A.
+
-
N° SI222
Alimentatore - Power supply
Alimentation - Netzgerät
Alimentador
0931
Citofono - Phone
Poste - Haustelefon
Teléfono - Telefone
887U
N.B.
In caso di ronzio sulla fonica spo sta re nel l’ali-
men ta to re il filo col le ga to alla ser ra tu ra dal
morsetto 15 al morsetto AS.
In case of noise in the audio move, in the
power supply, the wire connected on the
door lock terminal N. 15 To terminal AS.
S’il y a de brouillard dans la phonique depla
-
cer dans l’alimentation le fil, connecté á la
gâche, de la borne 15 á la borne AS.
Falls in der Sprechleitung ein Brumm-
Ton zu Hören ist, den am Türöffner
Angeschlossenen Draht am Netzgerätvon
Klemme 15 auf Klemme AS Umklemmen.
Si se oye en el audio un ruido, desplazar en
el alimentador el hilo conectado a la cerradu
-
ra del borne 15 al borne AS.
No caso de zumbido no audio, deslocar no
alimentador o fio ligado no trinco do shunt
15 ao AS.
A - Targa con posto esterno
Entrance panel
Plaque de rue avec poste externe
Klingeltableau mit Sprechstelle
Placa con aparato externo
Botoneira com posto externo
serie-série 1200, 1300, 3300, 8000
8100, PATAVIUM
B - Pulsante supplementare ser ra tu ra
Additional push-button for lock
Poussoir supplémentaire gâche
zusätzliche Türöffnertaste
Pulsador suplementario cerradura
Botão suplementar de trinco
C - Serratura elettrica
Electric lock
Gâche électrique
Elektrischer Türöffner
Cerradura eléctrica
Trinco eléctrico 12V~
D - Posto esterno - Outdoor unit
Poste externe - Sprechstelle
Aparato externo - Posto esterno
Art. 0930/000.04 - 930A
L1 - Lampada luce targa
Bulb for panel lighting
Lampe d’éclairage plaque
Birne für Tastenbeleuchtung
Lámpara luz escalera
Lâmpada da luz da botoneira
(3x24V 3W max.)
10x24V 3W con/with Art. M832
16X24V 3W con/with Art. 0832/030
Rete - Mains
Réseau - Netz
Red - Rede
Schema di collegamento
impianto citofonico Sound
System con alimentatore
Art. 0931 e citofono univer
-
sale Art. 887U
Wiring diagram of Sound
System audio entry System
with power supply unit Art.
0931 And universal inter
-
phone Art. 887U
Schéma de connexion
poste interphone Sound
System avec alimentateur
Art. 0931 et interphone uni
-
versel Art. 887U
Anschlussplan für Sprech
-
anlage Sound System mit
Netzgerät Art. 0931 und
Universal-Haustelefon Art.
887U
Esquema de conexionado
para portero eléctrico
“Sound System” con ali
-
mentador Art. 0931 Y telé-
fono universal Art. 887U.
Esquema de ligação de uma
instalação de porteiro eléc
-
trico Sound System com
alimentador Art. 0931 e te
-
lefone universal Art. 887U.
Citofono - Phone
Poste - Haustelefon
Teléfono - Telefone
887U
12
887U

Related product manuals