EasyManua.ls Logo

Vimar ELVOX 887U - Page 13

Vimar ELVOX 887U
16 pages
Print Icon
To Next Page IconTo Next Page
To Next Page IconTo Next Page
To Previous Page IconTo Previous Page
To Previous Page IconTo Previous Page
Loading...
3
2 1
CH
S
CH
A
8
3
5
4
6
7
L1
D
PRI
2 7 6 3 1 0 10 15 8
CH CH S 2 3 1
C
B
-
+
C.A.
E
CN5
CN6
2
3
6
7
1
C
C
1
7
6
3
2
CN6
CN5
E
C.A.
+
-
N° SI223
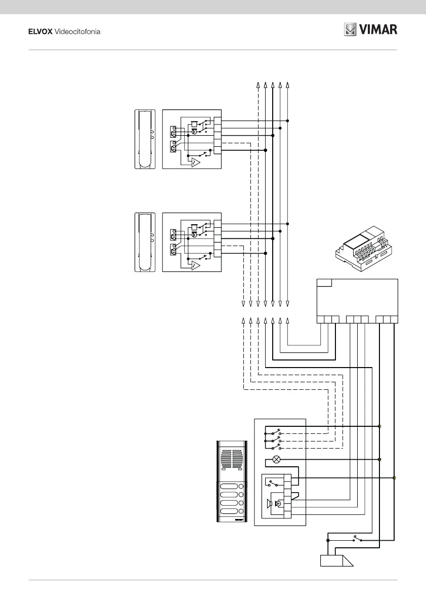
A - Targa con posto esterno
Entrance panel
Plaque de rue avec poste externe
Klingeltableau mit Sprechstelle
Placa con aparato externo
Botoneira com posto externo
serie-série 1200, 1300, 3300, 8000
8100, PATAVIUM
B - Pulsante supplementare ser ra tu ra
Additional push-button for lock
Poussoir supplémentaire gâche
zusätzliche Türöffnertaste
Pulsador suplementario cerradura
Botão suplementar de trinco
C - Serratura elettrica
Electric lock
Gâche électrique
Elektrischer Türöffner
Cerradura eléctrica
Trinco eléctrico 12V~
D - Posto esterno - Outdoor unit
Poste externe - Sprechstelle
Aparato externo - Posto esterno
Art. 0930/000.04 - 930A
L1 - Lampada luce targa
Bulb for panel lighting
Lampe d’éclairage plaque
Birne für Tastenbeleuchtung
Lámpara luz escalera
Lâmpada da luz da botoneira
(3x24V 3W max.)
10x24V 3W con/with Art. M832
16X24V 3W con/with Art. 0832/030
Schema di collegamento
impianto citofonico con ali-
mentatore Art. 0831 e cito-
fono universale Art. 887U.
Wiring diagram of audio
entry system with power
supply unit Art. 0831 and
universal interphone Art.
887U
Schéma de connexion
poste interphone avec ali
-
mentateur Art. 0831 et inter-
phone universel Art. 887U
Anschlussplan für Sprech
-
anlage mit Netzgerät Art.
0831 Und Universal-Hauste-
lefon Art. 887U
Esquema de conexionado
para portero eléctrico con
alimentador Art. 0831 y te
-
léfono universal Art. 887U.
Esquema de ligação uma
instalação de porteiro eléc
-
trico com alimentador Art.
0831 e telefone universal
Art. 887U.
Alimentatore - Power supply
Alimentation - Netzgerät
Alimentador
0831
Citofono - Phone
Poste - Haustelefon
Teléfono - Telefone
887U
Rete - Mains
Réseau - Netz
Red - Rede
Citofono - Phone
Poste - Haustelefon
Teléfono - Telefone
887U
13
887U

Related product manuals