EasyManua.ls Logo

Volvo IPS650 - Standard installation

Volvo IPS650
160 pages
Print Icon
To Next Page IconTo Next Page
To Next Page IconTo Next Page
To Previous Page IconTo Previous Page
To Previous Page IconTo Previous Page
Loading...
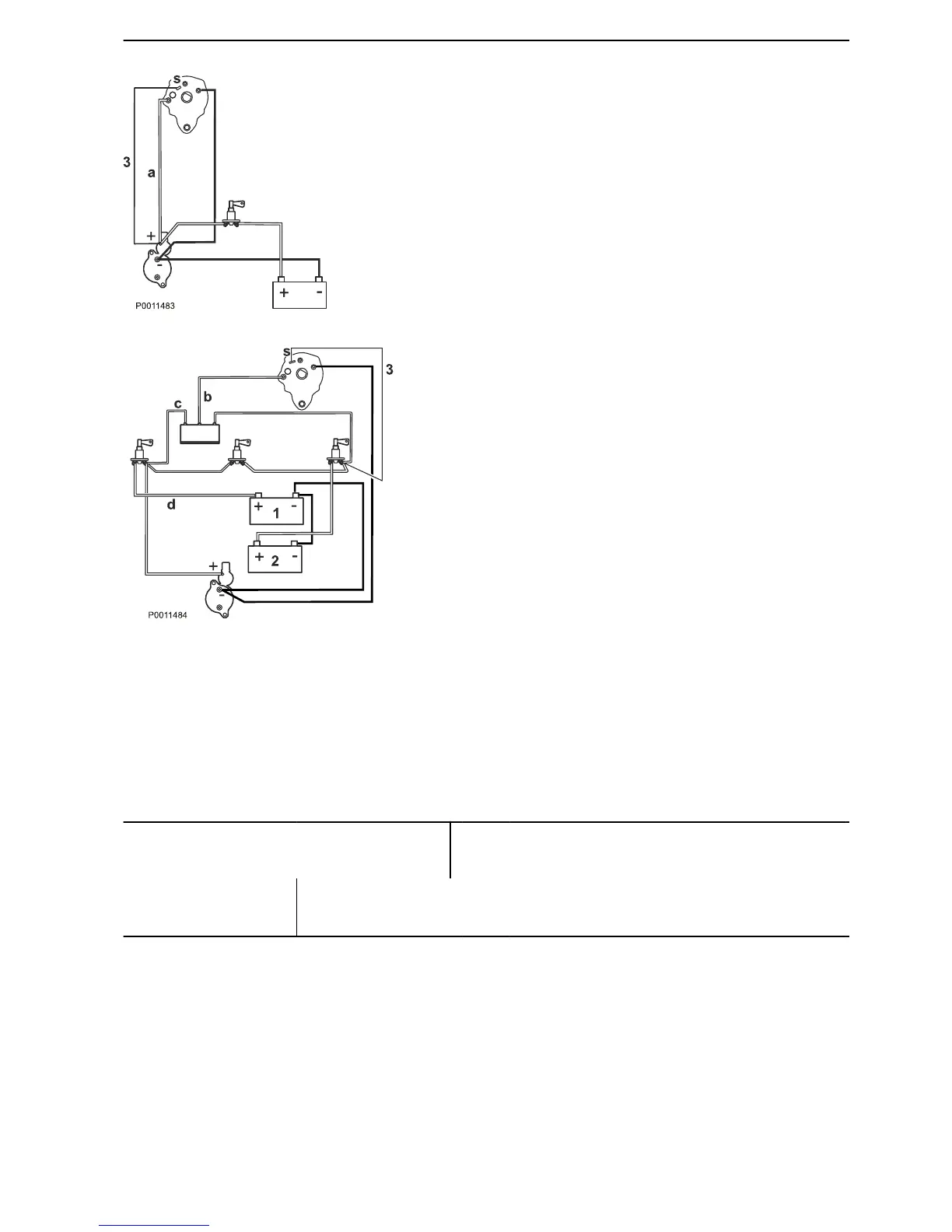
Standard installation
The
start battery is connected via a main switch to the
starter motor. The cables between the alternator and
the starter motor are factory installed.
System with separate service battery
The batteries are connected via a charge distributor
between the alternator and the starter motor. When the
total cable length between the alternator and the start
battery is changed, the existing engine power cable
must be replaced with new cables with appropriate
cross-sectional areas. Connect the sensor cables from
the alternator to the service battery arrays.
1
Locate the red power cable, (a), 16 mm
2
(6 AWG),
between the alternator and the starter motor.
Remove and insulate the cable at both ends.
Secure the ends with cable ties or similar to prevent
vibration damage.
2 Calculate the total length that will be required for the
new cables b, c and d. Determine the necessary
cross-sectional cable area with the aid of the table
below. Negative cable cross-sectional areas must
be at least the same as the positive cables.
3 Install a new (preferably red) power cable (b)
between the alternator and the charge distributor.
Also make new (preferably red) power cables (c
and d) between the charge distributor and the bat-
teries.
Total cable length and cable area from alternator to battery
Total length for cables b,
c and d; max length, m
(ft.)
24 V alternator
2.0
(6.6)
3.2
(10.5)
5.0
(16.4)
7.0
(23)
10.0
(32.8)
14.0
(45.9)
19.0
(62.3)
24.0
(78.7)
Cable area, mm²
(AWG)
10
(8)
16
(6)
25
(4)
35
(2)
50
(0)
70
(00)
95
(000)
120
(0000)
1 Start battery
2
Service battery
3 Sensor cable
Installation, Electrical System
47704162 10-2014 © AB VOLVO PENTA 133

Related product manuals