EasyManua.ls Logo

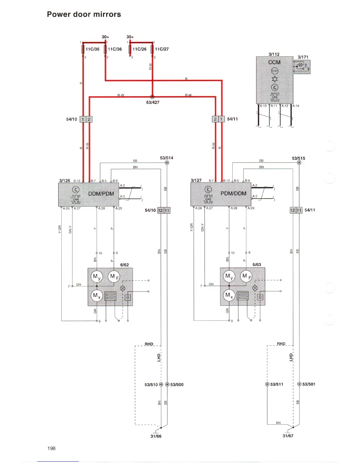
Volvo S80 2000 - Power Door Mirrors

Volvo S80 2000
222 pages
Print Icon
To Next Page IconTo Next Page
To Next Page IconTo Next Page
To Previous Page IconTo Previous Page
To Previous Page IconTo Previous Page
Loading...

Table of Contents

Related product manuals