EasyManua.ls Logo

VOR 530 - Schema Electrique

Default Icon
102 pages
Print Icon
To Next Page IconTo Next Page
To Next Page IconTo Next Page
To Previous Page IconTo Previous Page
To Previous Page IconTo Previous Page
Loading...
EN-E
N-B
R-A
V-G
B-V
M
-
+
N
R
N
G-R
N
N
BL
G
VI
B
R
G
G
R
R
B-GR
B-R
B
R
B
N
B
V
G
B
G-V
G-V
BL
B
GR
V-BL
V-G
VI
RS
G
A
B-BL
B-N
G
GR
V-BL
B-N
G-N
V-G
B
M
BL
G-V
B-N
B-BL
G-V
B
G
N
N
V
G
G
B
R
B
N
N
G
A
G
G-V
B
V-BL
BL
N
A
G
G-V
G-R
A
V
R-B
B
G-V
G-V
B-BL
N
1
M.Y.2004 ed.01/03
Pag. 92
15
12
11
7
24
13
25
8
2
4
3
9
21
22
23
20
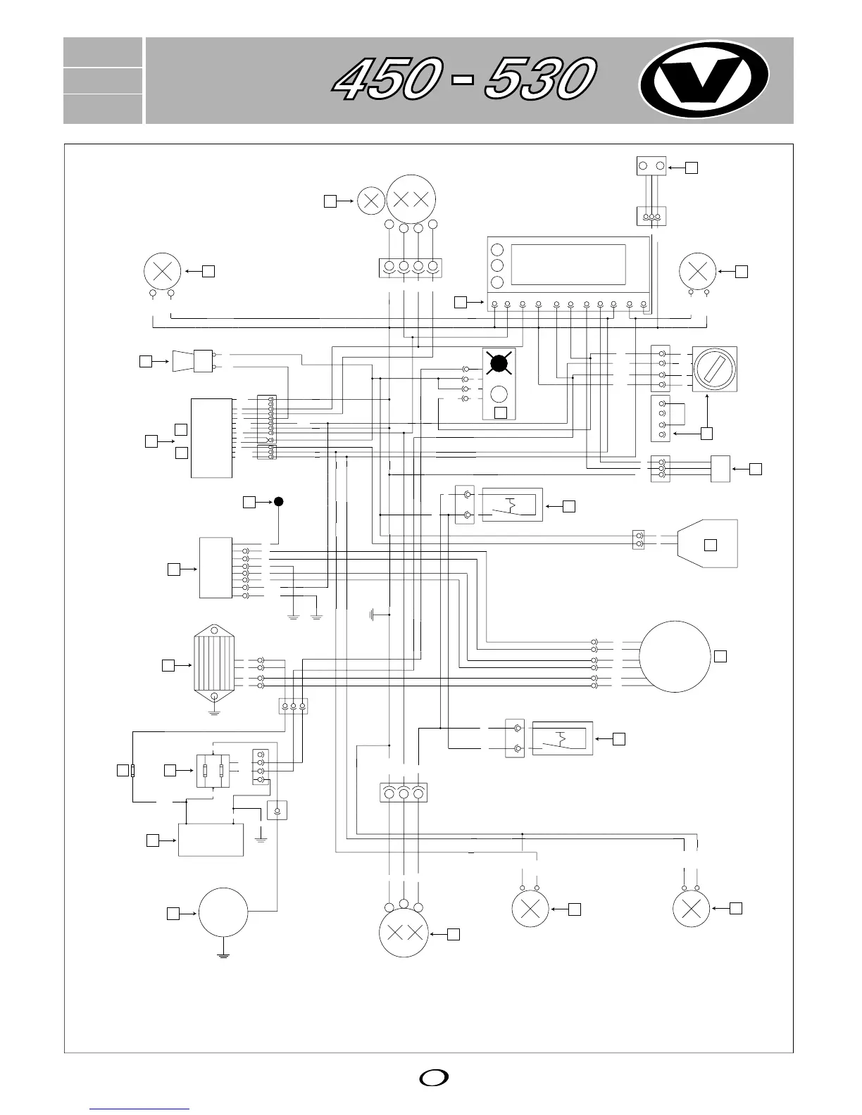
ELECTRICAL EQUIPMENT EN/SCHEMA ELETTRICO ENDURO-E
SCHALTPLAN ENDURO-E/SCHEMA ELECTRIQUE ENDURO-E
1
5
6
14
17
10
26
16
18
19

Table of Contents

Related product manuals