EasyManua.ls Logo

Votronic 2007 - Connection Plan for SR 140;220 Duo Digital and MPP 165;250 Duo Digital; Panel Connection Note; Installation Caution; Installation Orientation

Votronic 2007
4 pages
Print Icon
To Next Page IconTo Next Page
To Next Page IconTo Next Page
To Previous Page IconTo Previous Page
To Previous Page IconTo Previous Page
Loading...
- 2 -
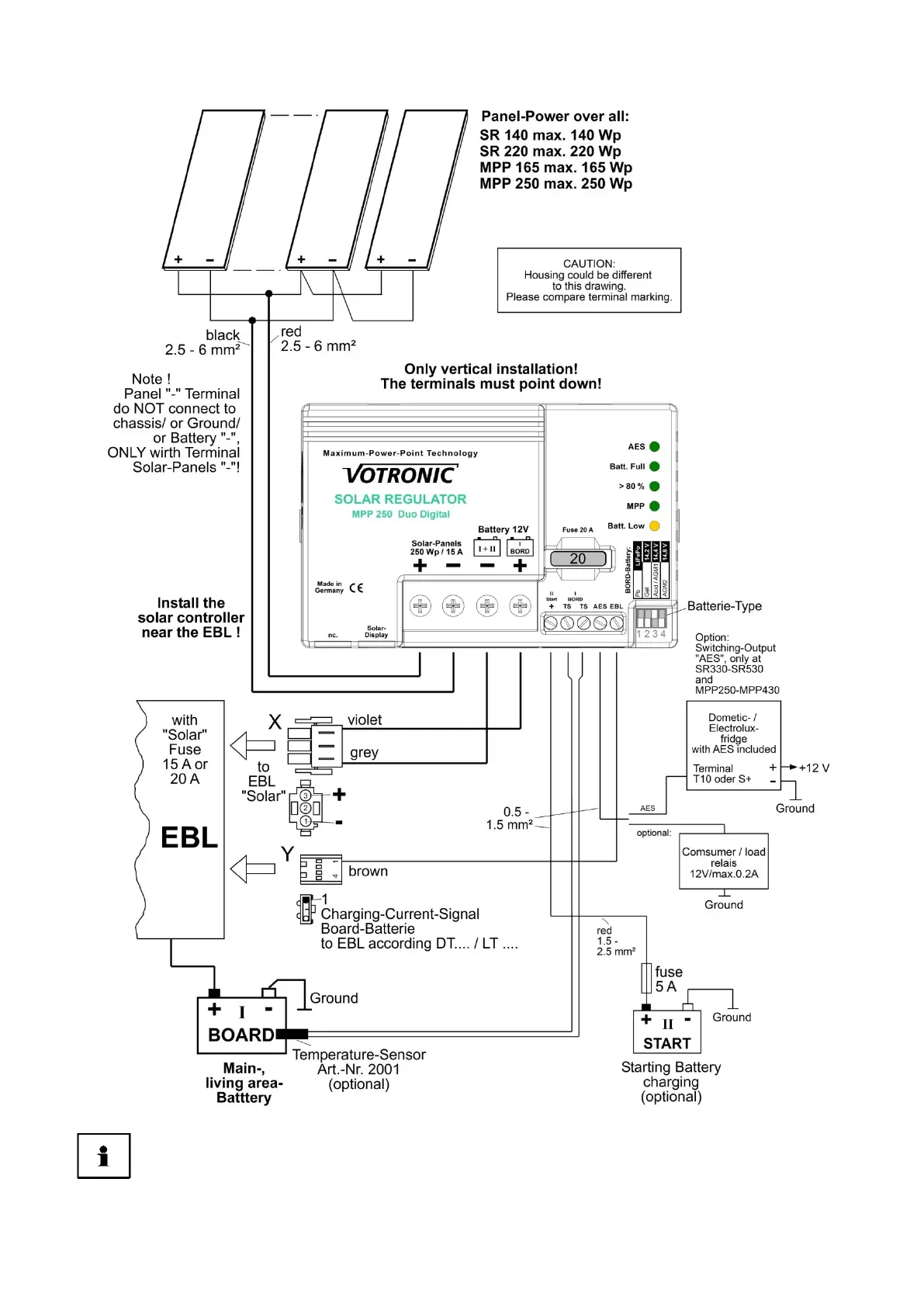
1.) Connection Plan SR 140/220 Duo Digital and MPP 165/250 Duo Digital:
Due to their efficiency, the SR 220 Duo Digital and MPP 250 Duo Digital can only be connected
to EBL with a "solar" fuse 20 A!
Case of EBL with "solar" fuse only 15 A:
SR 220 Duo Digital und MPP 250 Duo Digital must be connected directly to the main (living area)
battery like 2.), shown on page 3, SR 330/530 Duo Digital and MPP 350/430 Duo Digital.
The display of the solar current on the EBL is still effected by the cable "Y".

Related product manuals