EasyManua.ls Logo

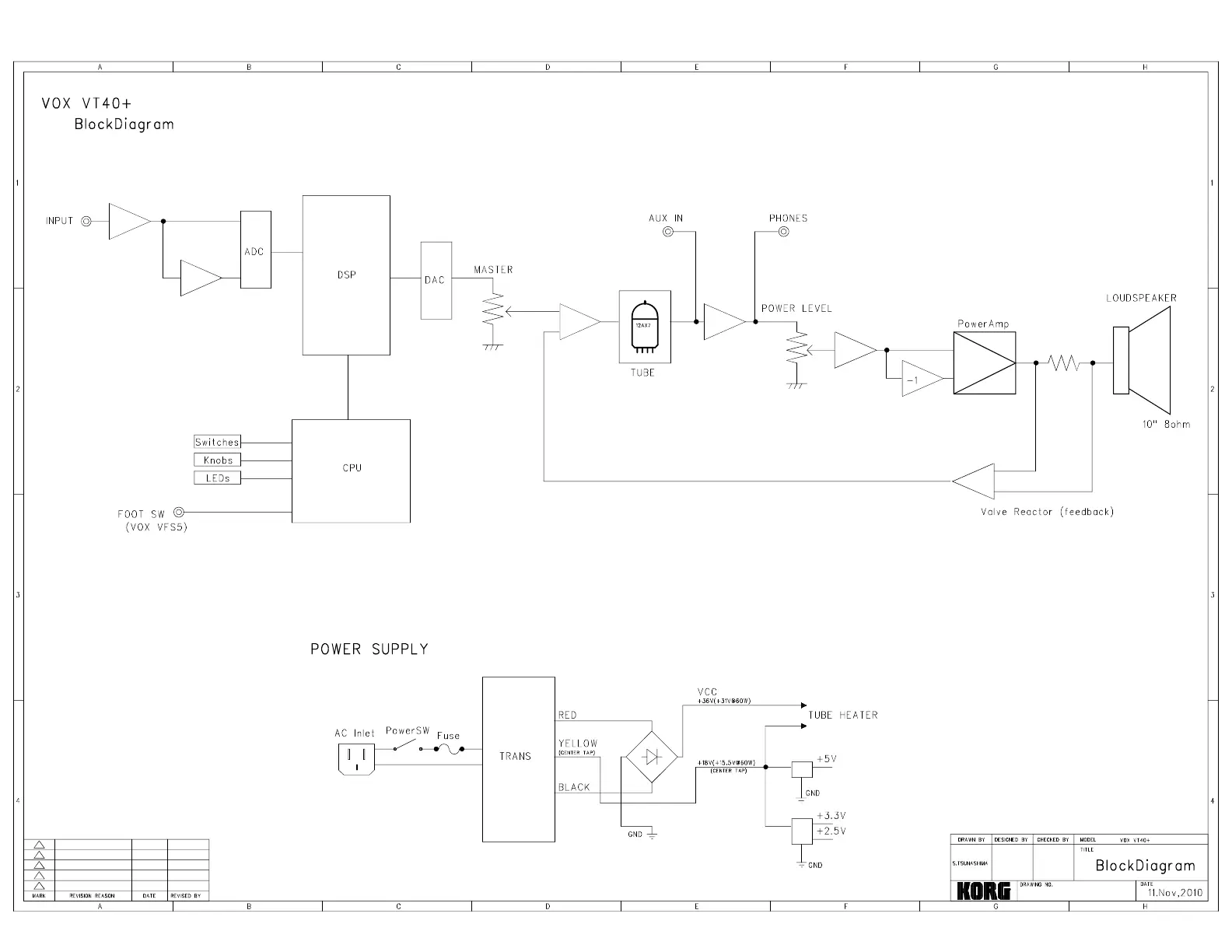
VOX Amplification VT40+ - Block Diagram

VOX Amplification VT40+
16 pages
Print Icon
To Next Page IconTo Next Page
To Next Page IconTo Next Page
To Previous Page IconTo Previous Page
To Previous Page IconTo Previous Page
Loading...
100911_VT40+_MAIN_MP02_forSM.sch-1 - Thu Nov 11 18:05:53 2010

Related product manuals