EasyManua.ls Logo

Wacker Neuson GP2500A - Page 66

Wacker Neuson GP2500A
240 pages
Print Icon
To Next Page IconTo Next Page
To Next Page IconTo Next Page
To Previous Page IconTo Previous Page
To Previous Page IconTo Previous Page
Loading...
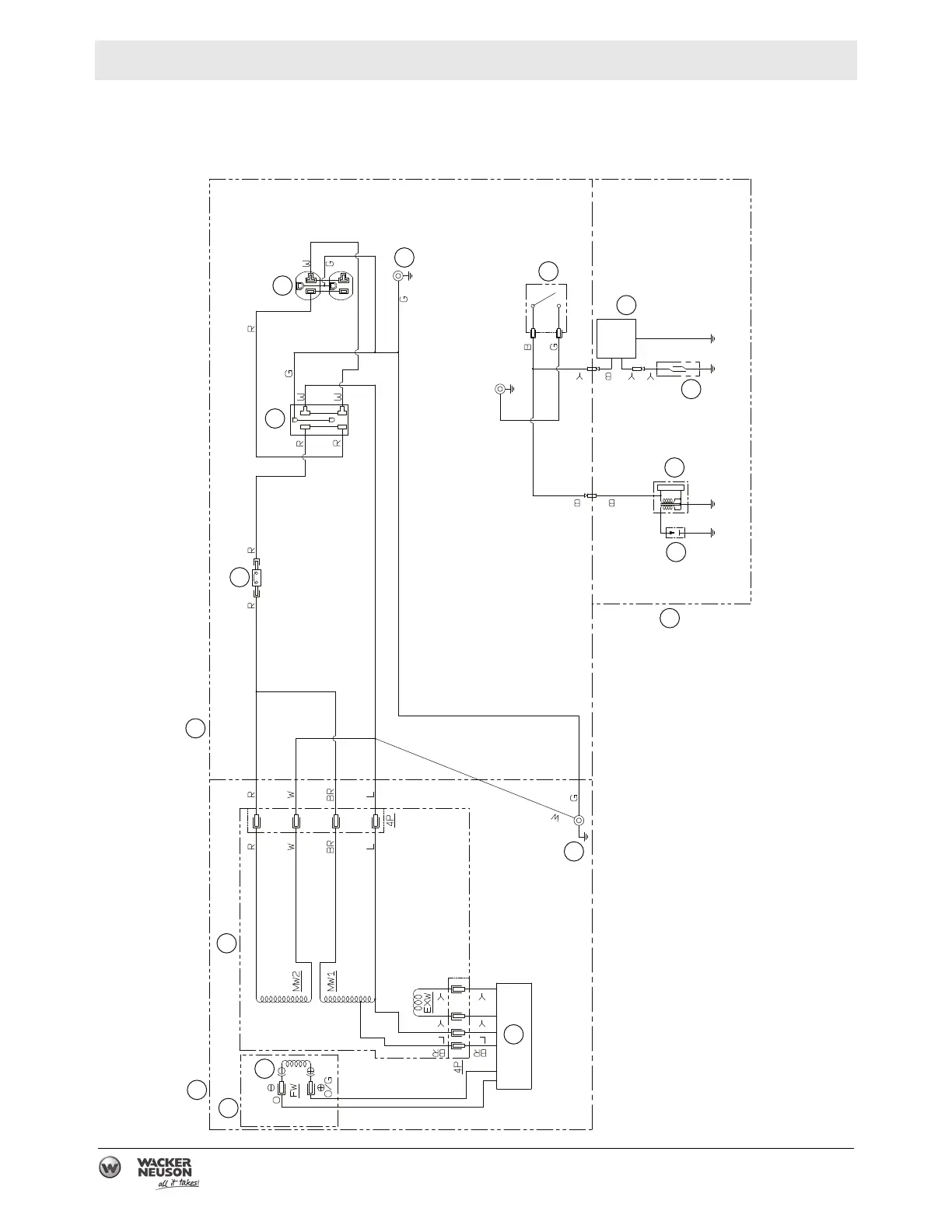
Schematics GP
12 wc_tx004576gb.fm
10 Schematics
10.1 Schematics—GP2500A
A
B
C
1
2
3
4
5
6
7
8
9
10
11
12
13
14
wc_gr003998

Table of Contents

Related product manuals