EasyManua.ls Logo

Wacker Neuson GP2500A - Page 68

Wacker Neuson GP2500A
240 pages
Print Icon
To Next Page IconTo Next Page
To Next Page IconTo Next Page
To Previous Page IconTo Previous Page
To Previous Page IconTo Previous Page
Loading...
Schematics Schematics
14 wc_tx004576gb.fm
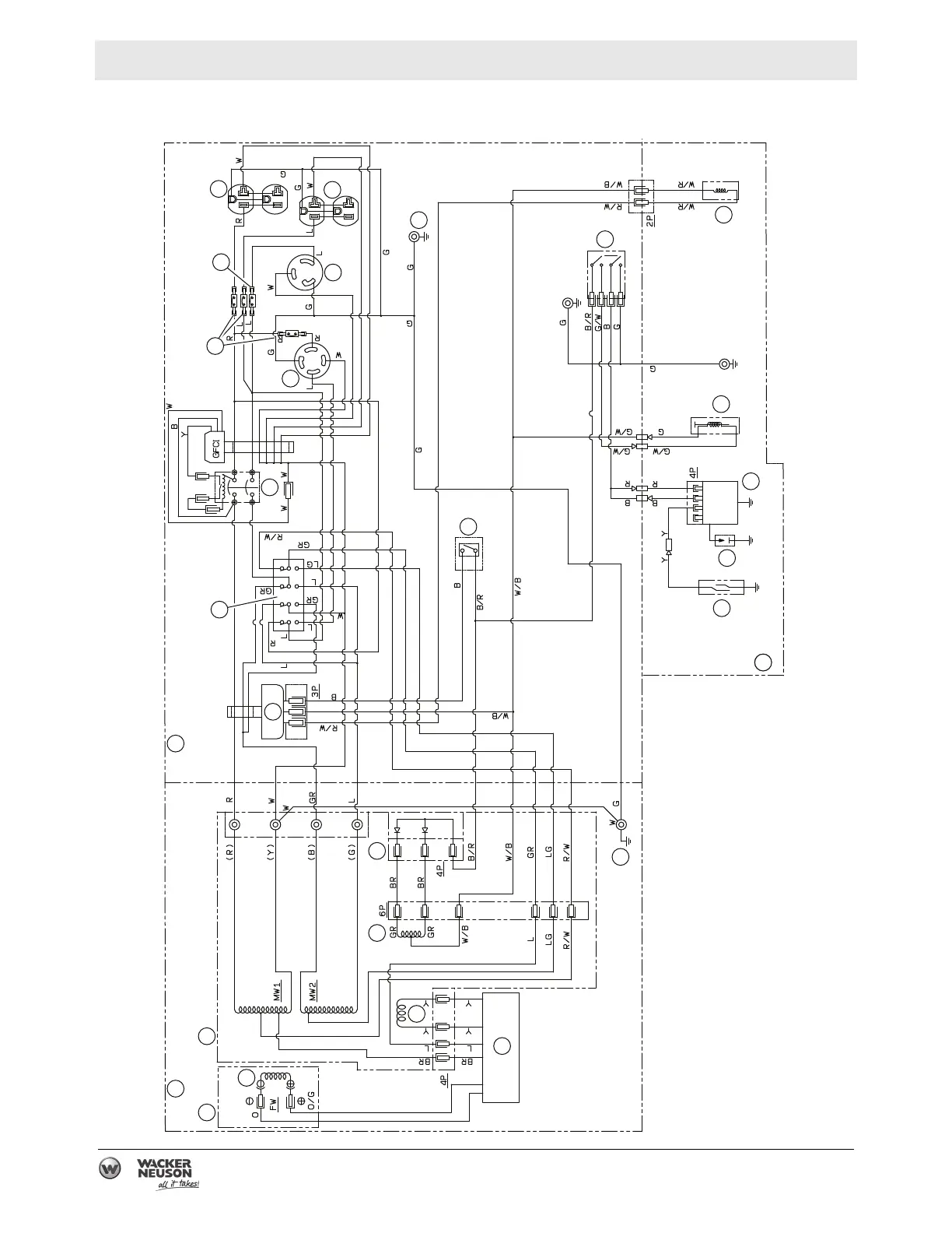
10.3 Schematics—GP3800A
1
2
3
7
6
5
4
wc_gr014726
A B
C
8
11
11
14 15
16
17
19
20
21
22
23
24
C
9
10
12
13
18

Table of Contents

Related product manuals