EasyManua.ls Logo

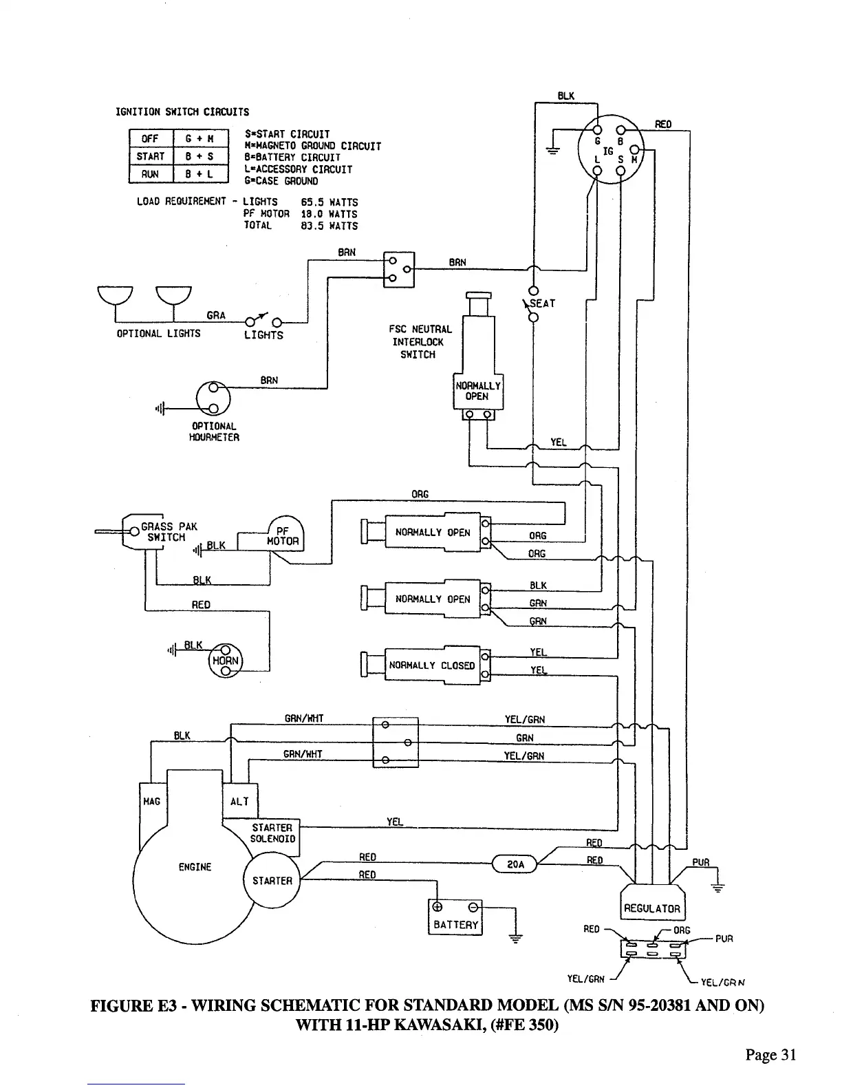
Walker MC36-54 - Standard Model Kawasaki Wiring Schematic (Figure E3)

Walker MC36-54
44 pages
Print Icon
To Next Page IconTo Next Page
To Next Page IconTo Next Page
To Previous Page IconTo Previous Page
To Previous Page IconTo Previous Page
Loading...

Related product manuals