EasyManua.ls Logo

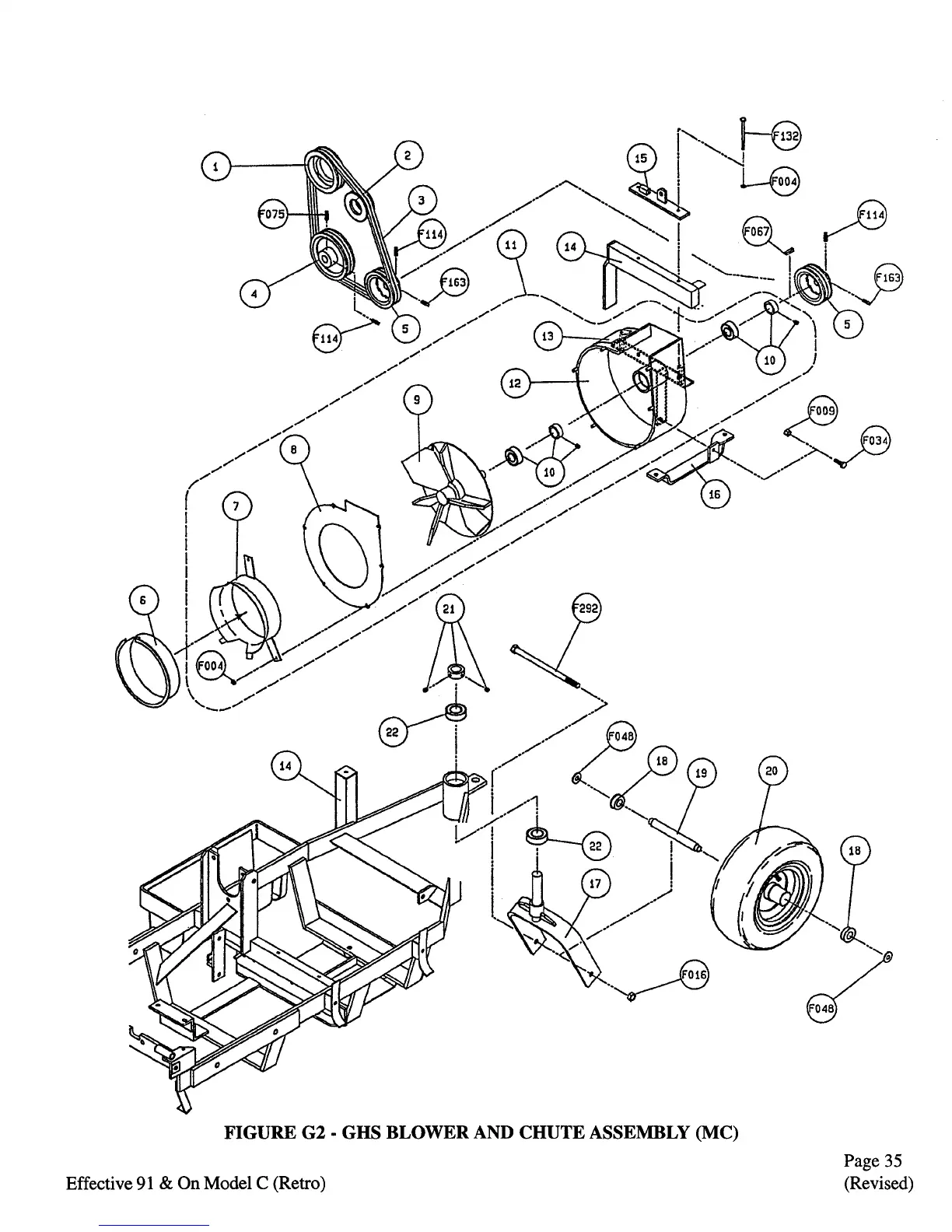
Walker MC36-54 - GHS 6.7 Bushel Catcher Assembly Diagram (Figure G3)

Walker MC36-54
44 pages
Print Icon
To Next Page IconTo Next Page
To Next Page IconTo Next Page
To Previous Page IconTo Previous Page
To Previous Page IconTo Previous Page
Loading...

Related product manuals