EasyManua.ls Logo

Wallace Pumps MULTISAN PRO - Page 16

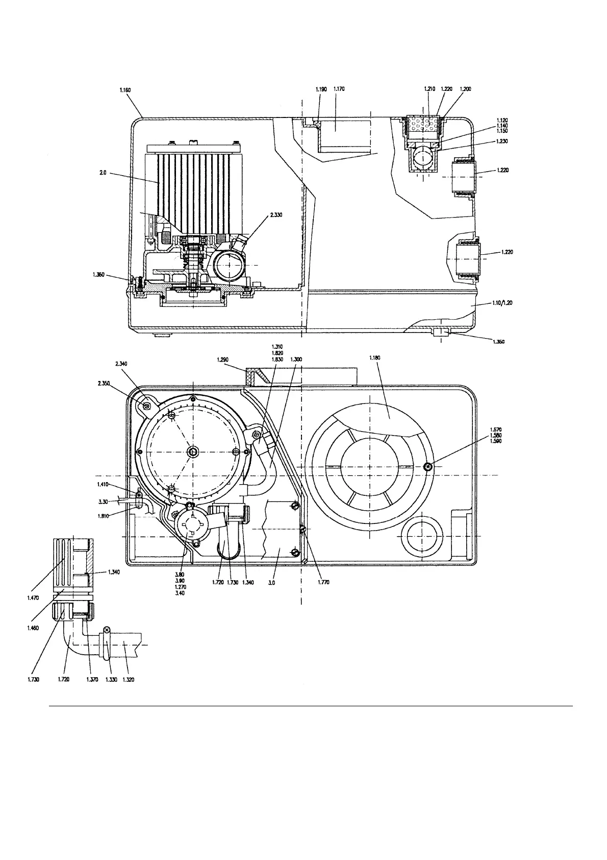
Wallace Pumps MULTISAN PRO
19 pages
Print Icon
To Next Page IconTo Next Page
To Next Page IconTo Next Page
To Previous Page IconTo Previous Page
To Previous Page IconTo Previous Page
Loading...
G:\INSTRUCT\MULTISAN PRO\Multisan Pro Instructions 251119.docx Page 16
Complete lifting unit

Related product manuals