EasyManua.ls Logo

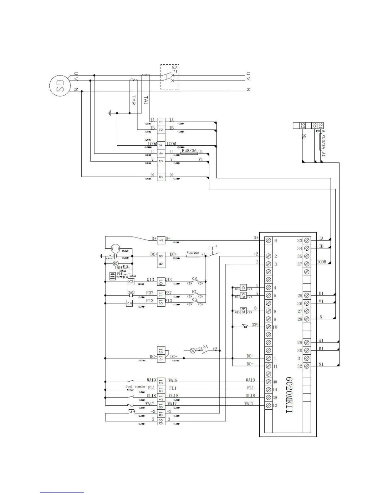
Wanco WSP12 - Wiring Diagram

Wanco WSP12
18 pages
Print Icon
To Next Page IconTo Next Page
To Next Page IconTo Next Page
To Previous Page IconTo Previous Page
To Previous Page IconTo Previous Page
Loading...
Page | 15
WIRING DIAGRAM

Related product manuals