EasyManua.ls Logo

Wanner Engineering Hydra-Cell G-10 - Page 4

Default Icon
20 pages
Print Icon
To Next Page IconTo Next Page
To Next Page IconTo Next Page
To Previous Page IconTo Previous Page
To Previous Page IconTo Previous Page
Loading...
4 D10-991-2400 5/1/04
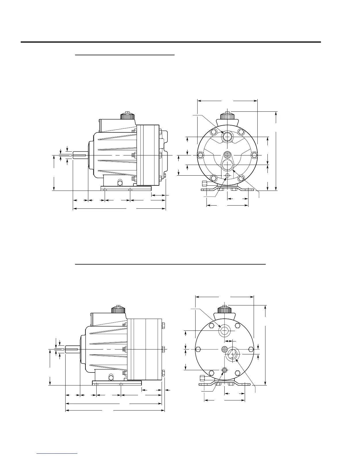
D/G-10 Dimensions
Models with Metallic Pumping Head
Models with
Non-Metallic or Slurry Duty (SD) Pump Head
Brass
Cast Iron
316 Stainless Steel
Nickel Alloy (C Series)
Kynar
®
Polypropylene
Celcon
Ø0.875
(22.23)
0.188
(4.78)
4.3
(109.2)
11.2
(284.5)
1.8
(45.7)
2.0
(50.8)
3.0
(76.2)
4.4
(111.8)
1.9
(48.3)
7.3
(185.4)
3.4
(86.4)
Inlet
9.5
(241.3)
3.1
(78.7)
2.2
(55.9)
1.1
(27.9)
2.4
(60.9)
5.0
(127)
2.5
(63.5)
Outlet
D-10: 3/4" NPT
G-10: 3/4" BSPT
OUT
IN
D-10: 1" NPT
G-10: 1" BSPT
Drain 1/8" NPT
7.25
(184.2)
0.56
(14.2)
9.5
(241.3)
2.2
(55.9)
2.4
(60.9)
5.0
(127)
2.5
(63.5)
OUT
IN
Drain
1/8" NPT
0.97
(24.6)
Ø0.875
(22.23)
0.188
(4.78)
4.3
(109.2)
11.8
(299.7)
1.8
(45.7)
2.0
(50.8)
3.0
(76.2)
5.0
(127)
2.5
(63.5)
0.4
(10.2)
12.2
(309.9)
Inlet
Outlet
D-10: 3/4" NPT
G-10: 3/4" BSPT
D-10: 1" NPT
G-10: 1" BSPT

Related product manuals