EasyManua.ls Logo

Warn Industries VR - Conexiones Eléctricas

Warn Industries VR
26 pages
Print Icon
To Next Page IconTo Next Page
To Next Page IconTo Next Page
To Previous Page IconTo Previous Page
To Previous Page IconTo Previous Page
Loading...
WARN INDUSTRIES
43
MONTAJE
La plantilla NO está a escala
Montaje del paquete de control
Le recomendamos montar el paquete de control
en una superficie de montaje sólida y de fácil
acceso.
Se recomienda que el paquete de montaje esté
montado en una ubicación lo más limpia y seca
posible.
Verifique que la ubicación seleccionada
para el montaje del paquete de control esté lo
suficientemente alejada de estructuras metálicas.
La ubicación exacta variará dependiendo del tipo
de vehículo.
Para determinar la ruta del conjunto de cables
del motor del cabrestante y del cable de toma de
tierra, asegúrese de que esta permite al conjunto de
cables del motor del cabrestante y al cable de toma
de tierra mantenerse lejos de bordes afilados, partes
que se calienten, y partes móviles. Tenga en cuenta
la vibración y la flexibilidad del chasis que pueden
dañar los hilos.
NOTA: puede resultar necesario ajustar la ubicación
de montaje de paquete de control deseada
inicialmente a causa de longitudes de cableado
específicas.
ATENCIÓN
Si va a perforar, veri que siempre que en el
área no haya tuberías o tanques de combustible, tuberías de
sistema de frenado, cables eléctricos, etc.
Después de determinar el lugar de montaje del
paquete de control, estará listo para montar su del
paquete de control.
Montaje al vehículo:
1. Use la plantilla a continuación como guía para
perforar los agujeros de montaje. Los agujeros
deben tener el diámetro apropiado para un
perno M6. ADVERTENCIA! Asegúrese de comprobar el
área antes de realizar las perforaciones para evitar que
cables eléctricos o líneas de gas puedan verse afectados.
3. Fije el paquete de control con las herramientas
provistas.
Montar a su tope
1. Haga coincidir los orificios de montaje con los
agujeros en el soporte de montaje paquete
de control de paquete de control (paquete
de control conjunto de montaje se vende por
separado. Contacto con un representante
de servicio al cliente Industrias Advertir al
1.800.543.9276 o visite www.warn.com).
2. El uso de hardware en el kit, paquete de control
segura de controlar la placa de montaje del
pack.
3. Conjunto del paquete de control seguro a
parachoques con el hardware restante.
WARN INDUSTRIES
44
CONEXIONES ELÉCTRICAS
Paso 3 - Instalación del cableado
ATENCIÓN
Para prevenir lesiones de gravedad o la muerte:
Coloque siempre las fundas de terminales suministradas en los
cables y en los terminales, tal como se indica en las instrucciones
de instalación.
ATENCIÓN
Para prevenir lesiones graves o accidentes
mortales debidos a incendios de origen eléctrico:
no pase nunca los cables eléctricos por bordes
a lados;
no pase nunca los cables eléctricos cerca de piezas
que se calienten;
no pase nunca los cables eléctricos por partes
móviles o cerca de ellas;
evite los puntos de pellizco y desgaste o abrasión
cuando instale todos los cables eléctricos.
ATENCIÓN
Aísle y proteja siempre los cables y los
terminales eléctricos que queden expuestos.
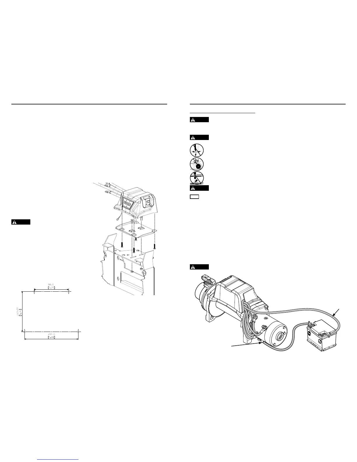
AVISO
Una batería completamente cargada y unas conexiones
correctas resultan esenciales para el buen funcionamiento del
cabrestante. El requisito mínimo para una batería de 12 voltios de CC
es de 650 amperios para el arranque en frío.
No instale los cables de la batería donde puedan
desgastarse debido al roce o sufrir cortes en el
material aislante produciéndose así un cortocircuito.
El hilo de alimentación del cabrestante debe
pasarse hasta la batería. Se requiere una conexión
directa a batería del hilo de alimentación (rojo) y de
masa (negro). ADVERTENCIA. No conecte la masa al chasis del
vehículo.
El cableado hasta la batería puede requerir el
desmontaje del cuadro o piezas del vehículo.
Pase siempre los hilos de la batería por pasos que
permitan que estos queden fijados con bridas.
ATENCIÓN
Los hilos  ojos o sueltos pueden provocar
lesiones graves o la muerte.
Proteja en todo momento los hilos de alimentación
de bordes afilados, de zonas que se calienten mucho
al contacto o de piezas móviles.
1. Planifique el paso de los hilos.
2. Fije holgadamente los hilos de alimentación por
el paso.
3. Confirme que los hilos de alimentación están
protegidos de bordes afilados, calor y piezas
móviles. Tenga en cuenta la vibración y la
flexibilidad del chasis que pueden dañar los hilos.
4. Inspeccione cuidadosamente el paso de los
hilos eléctricos. Apriete las bridas y fije los
hilos eléctricos. Las bridas deberían estar bien
apretadas pero no deberían cortar el aislamiento
de los cables. Utilice cinta aislante, trozos de
manguera de goma o conductos eléctricos para
proteger los cables eléctricos y el arnés y evitar el
desgaste y la abrasión del aislamiento.
5. Conecte los cables de la batería, PRIMERO el rojo
(positivo) y luego el negro (negativo). Instale las
fundas para proteger las conexiones. Asegure los
bornes de la batería siguiendo las instrucciones
del manual del vehículo.
Cuando haya finalizado la instalación, compruebe
si el cabestrante funciona correctamente.
Cable de
alimentación
(rojo)
Cable de masa (negro)
97003A0
97003A0

Related product manuals