EasyManua.ls Logo

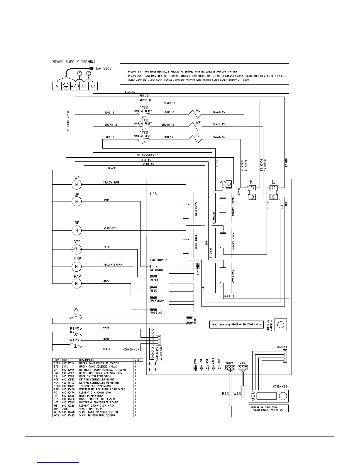
Washtech Starline UD - UD8(S) Wiring Diagram

Washtech Starline UD
12 pages
Print Icon
To Next Page IconTo Next Page
To Next Page IconTo Next Page
To Previous Page IconTo Previous Page
To Previous Page IconTo Previous Page
Loading...
9 UD - Operator Manual 170323
UD8(S) Wiring Diagram
030323 14/03/17 3C
UD8(S) WIRING DIAGRAM
IMP ORTANT

Related product manuals