EasyManua.ls Logo

Watchman FD-30A - System Block Diagram

Default Icon
40 pages
Print Icon
To Next Page IconTo Next Page
To Next Page IconTo Next Page
To Previous Page IconTo Previous Page
To Previous Page IconTo Previous Page
Loading...
FD-30A
FD-30A
O+—-{A}-
$6
T25I
Ol
LIPPLE
FILTER
Q254
TV +B
VIDEO
BUFFER
Q30}
SYNC
SEP
Q501
RADIO
+8
oe
ol
MPX
Oo
To
R-CH
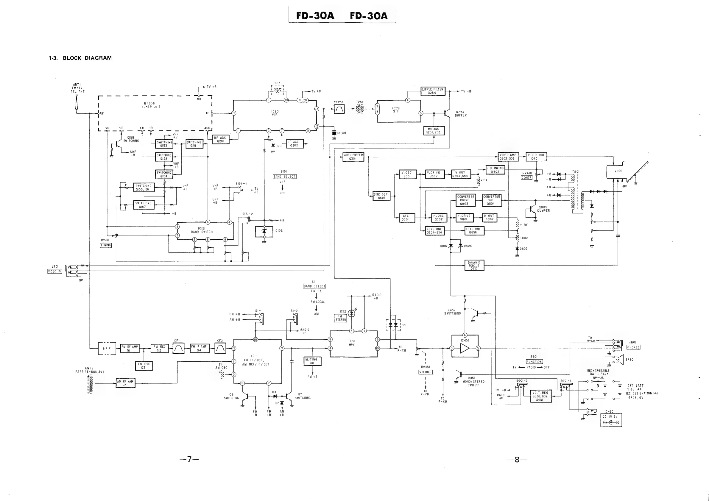
1-3.
BLOCK
DIAGRAM
L203
ANTI
203
FM/TV
Tv
+8
eee
‘aulieestiietiietitntietientitetinnttedientieraiten
1,
20
diets
|
@)
(9——C1!,
20)
erst
|
TUNER
UNIT
RF
if
b
(3)
oo
vc
us
LB
HB
AGC
@)
L
=
_
ee
end
WIE
°
(1)
2)
@)
©)
MBcr3
al58
RF
AGC
SWITCHING
SWITCHING
Q20i
IF
AGC
ais!
p20;
|
2202
UHF
=
+8
sisi
BAND
SELECT
VHF
TV
|
+8
UHF
SWITCHING
als
+8
C151
BAND
SWITCH
1152
rh
J301
9
f
8
VIDEO
IN
ee
$I
BAND
SELECT
FM
DX
FM
LOCAL
SI-|
$l-2
|
052
(DY
FM
+8
b
AM
(¥)
AM
+8
=]
|
RADIO
+8
a
CFI
cre
(0)
(8)
FM
RF
AMP
FM
MIX
FM
IF
AMP
x
ALE
HAKS
°
$
aie
ict
(1)
FM
IF/
DET,
i
MUTING
FM
OSC
14
AM
MIX
/
IF
/
DET
O8
ANT2
Q3
AM
OSC
FERRITE-ROD
ANT
\
'
(3)
ft
'
FM
+B
i
aN
RF
AM
®
a
W
W
uv
Bd
a6
a7
SWITCHING
SWITCHING
D5
7
FM FM
OAM
+8 48 +8
V.OSC
ass
AFC
D50t
253
BUFFER
MUTING
251,
252
VIDEO
AMP
VIDEO
OUT
0302
,
303
0401
U.
BLANKING
V.
DRIVE
Vv.
OUT
o402
rvaol
bo]
45
foal
553,554
ONT
QAv
vy
8
fa
2
+8
CONVERTER
CONVERTER
+8
—4¢——
T8Ol
t
DRIVE
ouT
a80o3
0804
Q805
OUMPER
H.
OSC
H.
DRIVE
H.
OUT
0502
80!
aoe
SH
oY
KEYSTONE
KEYSTONE
0851-854
0856
m3
1802
=
pgo7
D808
D802
OYNAMIC
FORCUS
0885,
452
SWITCHING
(é)
To
Recu
J601
(G3)
PHONES
seat
la
a
;
sit
SP90,
\
[FUNCTION]
i
RV45!
TV
4—
RADIO
—>
OFF
RECHARGE
ABLE
[vouuME]
BATT,
PACK
|
Fs
45!
es
BP—23
|
MONO/STEREO
oo
¢
SWITCH
=
pe
©
oODRY:-BATT
To
o
\
|
SIZE
"AA"
R-CH
t
VOLT.
RES
<
“ee
(IEC
DESIGNATION
R6)
TO
se
eeine
° 6
4PCS,
6V
R~CH
ae
CN6O!
OC
IN
6V
OCO
<7
oc