EasyManua.ls Logo

Waterite TriPlex DuPlex FS-BB Series - Selecting the System Location

Waterite TriPlex DuPlex FS-BB Series
8 pages
Print Icon
To Next Page IconTo Next Page
To Next Page IconTo Next Page
To Previous Page IconTo Previous Page
To Previous Page IconTo Previous Page
Loading...
4
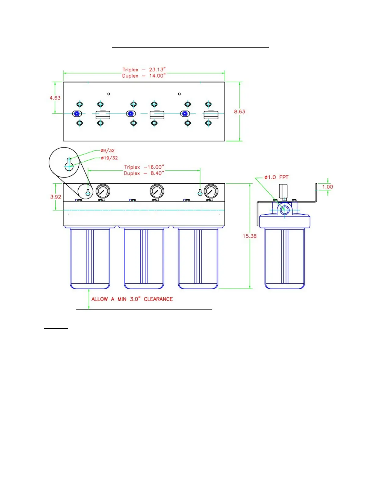
Figure 1: General Dimensional Specifications
Step 1. Selecting the System Location
1. The filter system should be mounted close to where the water line enters the building, such
as the basement or adjoining utility room, to ensure all water used in the dwelling is treated.
If you wish to tee off a water line to be used for outdoor hoses or an irrigation system, make
sure this occurs prior to the filter system. Keep in mind that filter housings will need
periodic replacement and that easy access must be maintained. Do not install in a location
with high humidity, direct sun or a direct source of heat. If you are installing a UV filter
systems you will need a standard 110V plug nearby.
2. Additionally, choose an area that has adequate clearance all around the unit. Allow 6” of
clearance on either side and a minimum of 8” of clearance below the unit. For UV models,
allow enough clearance on the sides to extract the lamp and sleeve in the stainless
chamber, as these will require periodic cleaning and replacement.

Related product manuals