EasyManua.ls Logo

Wavemaster STAX - Page 4

Wavemaster STAX
Print Icon
To Next Page IconTo Next Page
To Next Page IconTo Next Page
To Previous Page IconTo Previous Page
To Previous Page IconTo Previous Page
Loading...
Deutsch
Aufbau & Bedienung
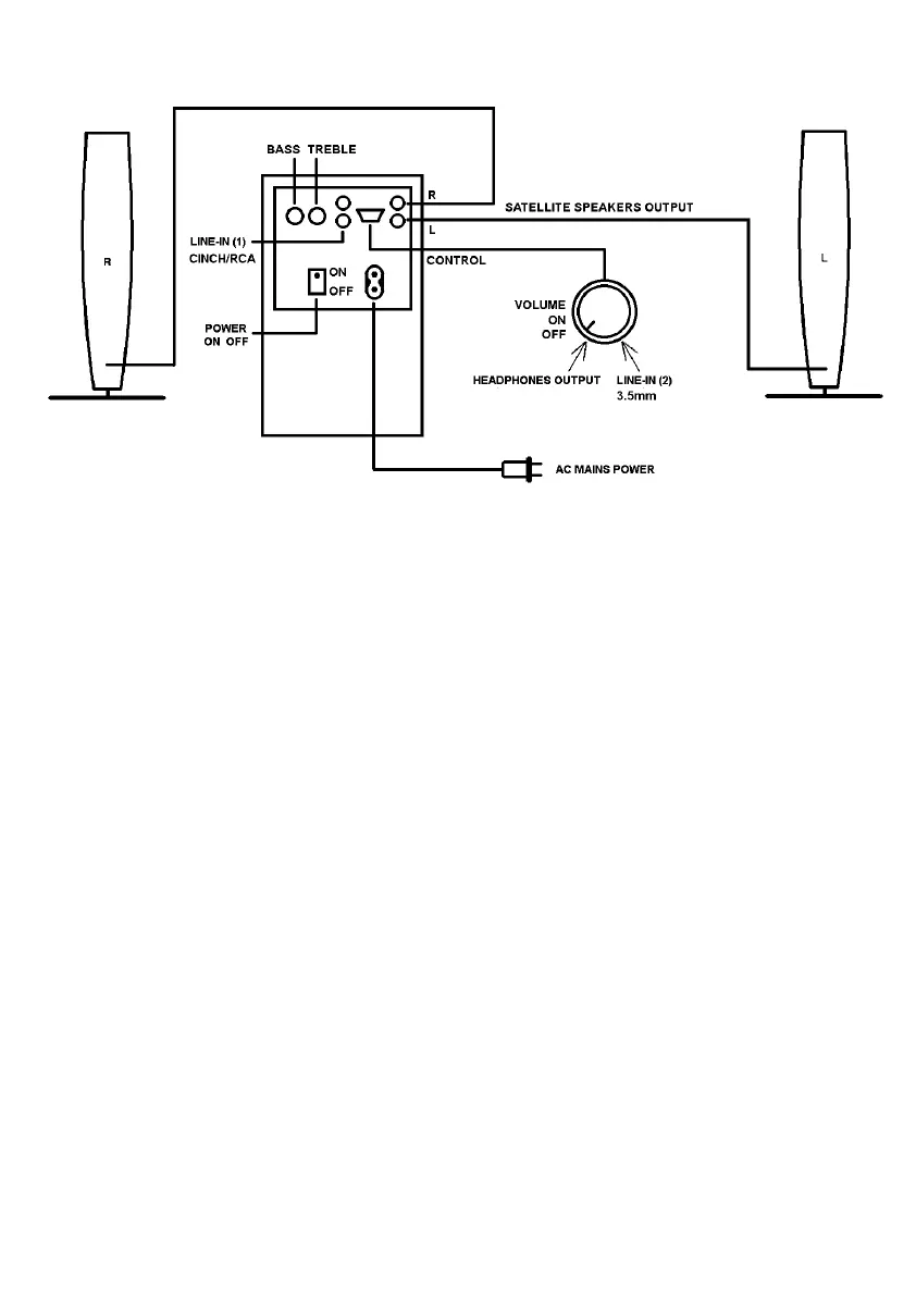
Der Aufbau und die Bedienung des wavemaster STAX sind sehr einfach.
Bitte beachten Sie, alle Anschlüsse nur im ausgeschalteten Zustand durchzuführen.
Schliessen Sie die Satelliten mit ihren Anschlusskabeln an die mit OUTPUT L, R
gekennzeichneten Ausgänge des Subwoofers an.
Die Kabelfernbedienung wird mit dem Anschluß CONTROL des Subwoofers verbunden.
Verbinden Sie nun die Buchse LINE-IN auf der Rückseite des Subwoofers oder auf der
Frontseite der Fernbedienung mit den beiliegenden Kabeln mit einer entsprechenden
Soundquelle.
Die Buchse LINE-IN auf der Rückseite des Subwoofers ist für Geräte mit einem höheren
Line-Signalpegel wie z.B. PC oder stationäre HiFi-Komponenten vorbereitet.
Die Buchse LINE-IN auf der Frontseite der Fernbedienung ist für Geräte mit niedrigerem
Line-Signalpegel wie z.B. portable MP3-Player, Smartphones o.ä. vorbereitet.
An die Buchse LINE-IN auf der Frontseite der Fernbedienung können Sie bei Bedarf ein
weiteres Quellengerät, wie z.B. einen MP3-Player, anschließen. Da diese Buchse
bevorrechtigt ist, wird die auf der Rückseite des Subwoofers angeschlossene Quelle für die
Dauer des Anschlusses der LINE-IN-Quelle an der Fernbedienung stummgeschaltet. Sobald
Sie den Stecker aus der Buchse LINE-IN der Fernbedienung herausziehen ist die erste
Quelle am LINE-IN des Subwoofers wieder aktiviert.
Prüfen Sie vor der Inbetriebnahme unbedingt die Höhe der Netzspannung.
Schliessen Sie Ihr Sound System an die Stromversorgung an.
Das Ein- und Ausschalten (Standby) sowie die Lautstärkeregelung des Sound Systems erfolgt
über den Regler auf der Fernbedienung.
Den Bass- und Hochtonpegel können Sie über die Regler BASS und TREBLE auf der
Rückseite des Subwoofers einstellen.
An die Buchse HEADPHONES an der Frontseite der Fernbedienung können Sie einen
Kopfhörer anschließen. Die Lautsprecher des STAX werden dabei stummgeschaltet. Der
eingebaute Kopfhörerverstärker sorgt für eine angenehme Wiedergabelautstärke.
4

Related product manuals